Morsetto di collegamento

Per il collegamento a croce oppure parallelo di conduttori tondi, piatti oppure cordati a dispersori di profondità.

Per dispersore di profondità Ø20 - 30 mm

1 Prodotto

Art. 610010 AK TE 20.30 8.12 FL40 STTZN

GTIN (EAN) 4013364022010, Codice doganale (EU): 85359000, Peso lordo: 786.00 g, UM: 1.00 pz.

Predecessore

Immagini

Maggior informazioni

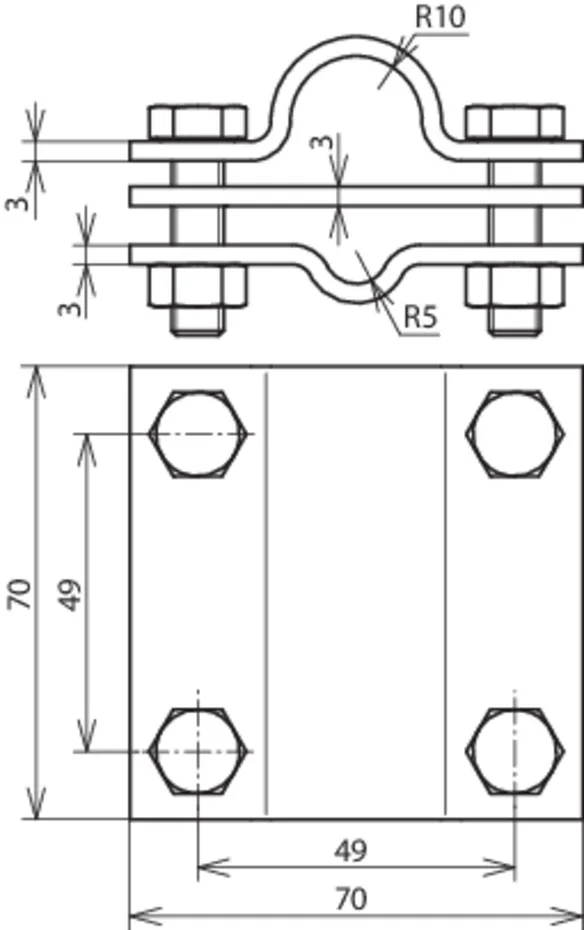
Morsetto di collegamento per dispersore di profondità D20 - 30 mm Fe/tZn
Morsetto di collegamento per il collegamento a croce e parallelo di conduttori tondi,
piatti o cordati su dispersori di profondità
Materiale: Fe/tZn
Campo di serraggio Td/Pt: 8-12,5 / -40 mm
Campo di serraggio (semirigido / cordato): 50-95 mm2
Corrente di corto circuito (AC 50 Hz / DC): 18 kA
Riferimento norma: CEI EN 62561-1

Fabbricato: DEHN
Tipo: AK TE 20.30 8.12 FL40 STTZN
Art.: 610010
o similare.

Certificati

 

Caratteristiche tecniche

Materiale Fe/tZn
Campo di serraggio Td/Pt 8-12,5 / -40 mm
Campo di serraggio (semirigido / cordato) 50-95 mm2
Corrente di corto circuito (AC 50 Hz / DC) (1 s; ≤ 300 °C) 18 kA
Riferimento norma CEI EN 62561-1
*) Per l'attribuzione precisa vedi certificato di prova.

Prodotto 610010 è stato aggiunto al blocco note.

Prodotto 610010 è stato aggiunto al carrello.

Apri Web-Shop

Per dispersore di profondità Ø20-25 mm

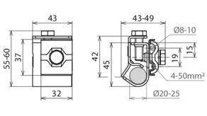
Morsetto di collegamento per l'integrazione di tubi (ad es. pali d'antenna) nell'equipotenzialità antifulmine per mezzo di conduttori rigidi / semirigidi su dispersori di profondità.

1 Prodotto

Art. 540121 AK 8.10 AQ4 50 TE20 25 V4A

GTIN (EAN) 4013364380660, Codice doganale (EU): 85359000, Peso lordo: 147.00 g, UM: 25.00 pz.


Immagini

Maggior informazioni

Morsetto di collegamento per dispersore di profondità D20 - 25 mm INOX (AISI 316)
Morsetti di collegamento per il collegamento a croce e parallelo
di conduttori tondi o cordati su dispersori di profondità
Materiale: INOX (V4A)
Materiale n.: 1.4571 / 1.4404 / 1.4401
Campo di serraggio Td: 8-10 mm
Collegamento (rigido / semirigido): 4-50 mm2
Riferimento norma: CEI EN 62561-1

Fabbricato: DEHN
Tipo: AK 8.10 AQ4 50 TE20 25 V4A
Art.: 540121
o similare.

Certificati

 

Caratteristiche tecniche

Materiale INOX (V4A)
Materiale n. 1.4571 / 1.4404 / 1.4401
Campo di serraggio Td 8-10 mm
Collegamento (rigido / semirigido) 4-50 mm2
Riferimento norma CEI EN 62561-1
*) Per l'attribuzione precisa vedi certificato di prova.

Prodotto 540121 è stato aggiunto al blocco note.

Prodotto 540121 è stato aggiunto al carrello.

Apri Web-Shop

Per dispersore di profondità Ø20 mm

1 Prodotto

Art. 610020 AK TE 20 7.10 FL40 V4A

GTIN (EAN) 4013364054110, Codice doganale (EU): 85359000, Peso lordo: 446.00 g, UM: 25.00 pz.


Immagini

Maggior informazioni

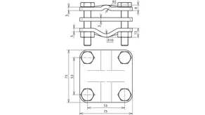
Morsetto di collegamento per dispersore di profondità D 20 mm INOX (AISI 316)
Morsetti di collegamento per il collegamento a croce e parallelo di conduttori tondi,
piatti o cordati su dispersori di profondità
Materiale: INOX (V4A)
Materiale n.: 1.4571 / 1.4404 / 1.4401
Campo di serraggio Td/Pt: 7-10 / -40 mm
Campo di serraggio (semirigido / cordato): 25-120 mm2
Corrente di corto circuito (AC 50 Hz / DC): 8 kA
Riferimento norma: CEI EN 62561-1

Fabbricato: DEHN
Tipo: AK TE 20 7.10 FL40 V4A
Art.: 610020
o similare.

Certificati

 

Caratteristiche tecniche

Materiale INOX (V4A)
Materiale n. 1.4571 / 1.4404 / 1.4401
Campo di serraggio Td/Pt 7-10 / -40 mm
Campo di serraggio (semirigido / cordato) 25-120 mm2
Corrente di corto circuito (AC 50 Hz / DC) (1 s; ≤ 300 °C) 8 kA
Riferimento norma CEI EN 62561-1
*) Per l'attribuzione precisa vedi certificato di prova.

Prodotto 610020 è stato aggiunto al blocco note.

Prodotto 610020 è stato aggiunto al carrello.

Apri Web-Shop

back to top