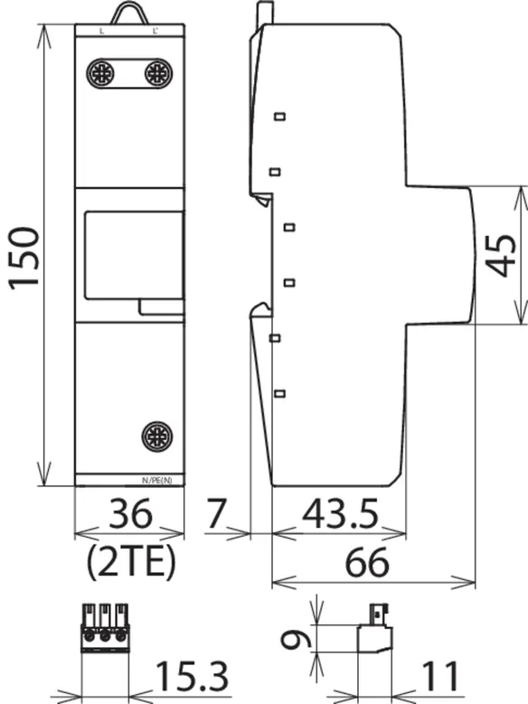
DEHNbloc Maxi 440 / 760
:quality(98)/www.elvatec.ch/store/f/61164000/HDVORSCHAU/961145a1_16-9.jpg)
:quality(98)/www.elvatec.ch/store/f/61164000/HDVORSCHAU/961145a1_16-9.jpg)
- Scaricatore per corrente di fulmine su base spinterometrica
- Capacità molto elevata di scarica di corrente di fulmine
- Elevata capacità di estinzione e di limitazione della corrente susseguente tramite tecnologia RADAX-Flow
- Coordinato con limitatore di sovratensione DEHNguard senza ulteriori lunghezze di conduttori
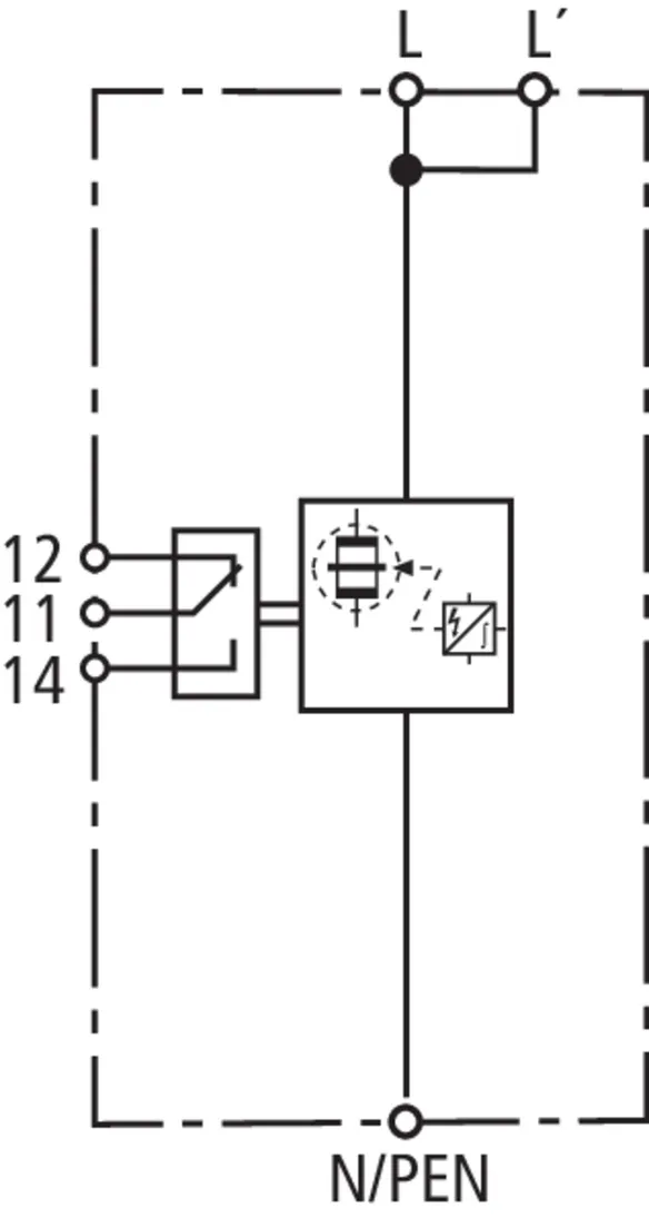
- Indicazione di funzionamento / guasto tramite marcatura verde / rossa nella finestrella
Dettagli
:quality(98)/www.elvatec.ch/store/f/61164001/HDVORSCHAU/961175a1_Kat.jpg)
:quality(98)/www.elvatec.ch/store/f/61164001/HDVORSCHAU/961175a1_Kat.jpg)
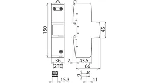
Art. 961140 DBM 1 440
GTIN (EAN) 4013364116269, Codice doganale (EU): 85363090, Peso lordo: 592.00 g, UM: 1.00 pz.
PredecessoreCaratteristiche tecniche
SPD secondo EN 61643-11 / ... IEC 61643-11 | Tipo 1 / Classe I |
Tensione massima continuativa AC (UC ) | 440 V |
Corrente impulsiva di fulmine (10/350 µs) (Iimp ) | 35 kA |
Livello di protezione (UP ) | ≤ 2,5 kV |
Fusibile di protezione max (L) fino ICC = 50 kAeff (ta ≤ 0,2 s) | 500 A gG |
Fusibile di protezione max (L) fino ICC = 50 kAeff (ta ≤ 5 s) | 250 A gG |
Omologazioni | UL, CSA |
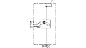
Art. 961145 DBM 1 440 FM
GTIN (EAN) 4013364116276, Codice doganale (EU): 85363090, Peso lordo: 601.60 g, UM: 1.00 pz.
PredecessoreCaratteristiche tecniche
SPD secondo EN 61643-11 / ... IEC 61643-11 | Tipo 1 / Classe I |
Tensione massima continuativa AC (UC ) | 440 V |
Corrente impulsiva di fulmine (10/350 µs) (Iimp ) | 35 kA |
Livello di protezione (UP ) | ≤ 2,5 kV |
Fusibile di protezione max (L) fino ICC = 50 kAeff (ta ≤ 0,2 s) | 500 A gG |
Fusibile di protezione max (L) fino ICC = 50 kAeff (ta ≤ 5 s) | 250 A gG |
Omologazioni | UL, CSA |
Contatto FM / forma contatto | scambio pulito |
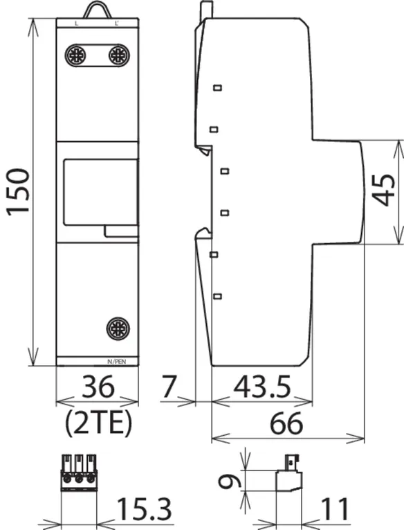
Art. 961175 DBM 1 760 FM
GTIN (EAN) 4013364116283, Codice doganale (EU): 85363090, Peso lordo: 589.80 g, UM: 1.00 pz.
Caratteristiche tecniche
SPD secondo EN 61643-11 / ... IEC 61643-11 | Tipo 1 / Classe I |
Tensione massima continuativa AC (UC ) | 760 V |
Corrente impulsiva di fulmine (10/350 µs) (Iimp ) | 25 kA |
Livello di protezione (UP ) | ≤ 4 kV |
Fusibile di protezione max (L) fino ICC = 25 kAeff (ta ≤ 5 s) | 250 A gG |
Omologazioni | UL, CSA |
Contatto FM / forma contatto | scambio pulito |
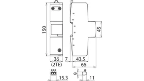
Art. 961148 DBM 1 440 SN1885 FM
GTIN (EAN) 4013364475953, Codice doganale (EU): 85363090, Peso lordo: 601.00 g, UM: 1.00 pz.
Caratteristiche tecniche
SPD secondo EN 61643-11 / ... IEC 61643-11 | Tipo 1 / Class I |
Tensione massima continuativa AC (UC ) | 440 V |
Corrente impulsiva di fulmine (10/350 µs) (Iimp ) | 35 kA |
Livello di protezione (UP ) | ≤ 2,5 kV |
Fusibile di protezione max (L) fino ICC = 50 kAeff (ta ≤ 0,2 s) | 500 A gG |
Fusibile di protezione max (L) fino ICC = 50 kAeff (ta ≤ 5 s) | 250 A gG |
Contatto FM / forma contatto | scambio pulito |