Ihre Services im Dashboard..
Registriert nutzen Sie das komplette Angebot.

Druckwasserdichte Wanddurchführungen für Weiße Wanne

In der aktuellen Bautechnik werden häufig die Gebäude mit Keller in Form einer Weißen Wanne ausgeführt. Bei der Weißen Wanne ist keine zusätzliche Abdichtungsschicht erforderlich, denn Bodenplatte und Außenwände werden als geschlossene Wanne aus Beton mit hohem Wassereindringwiderstand nach DIN EN 206-1 und DIN 1045-2 hergestellt. Dieser Beton wird als wasserundurchlässiger Beton oder WU-Beton bezeichnet.

Bedingt durch das Einbringen des Erderwerkstoffes mit mindestens 5 cm Betondeckung (Maßnahme des Korrosionsschutzes) ist im Verlegebereich mit keiner Feuchtigkeit mehr zu rechnen, so dass der Beton wie eine Isolierung wirkt. Aus diesem Grund ist bei Gebäuden mit Weißer Wanne ein Erder außerhalb zu verlegen. Dieser Erder wird bei Neubauten in der Regel in der Sauberkeitsschicht unterhalb der Fundamentplatte errichtet.
Die Auswirkungen der geänderten Rezeptur für den wasserundurchlässigen Beton (WU-Beton) werden in der aktuellen DIN 18014 „Fundamenterder – Allgemeine Planungsgrundlagen“:2007-09 beschrieben.
Die nach DIN 18014 unterhalb der Fundamentplatten errichteten Ringerder in Form von Maschen müssen, im Zuge des Potentialausgleichs, zur Haupterdungsschiene (HES) (alt: Hauptpotentialausgleichsschiene HPAS) in das Gebäudeinnere geführt werden.

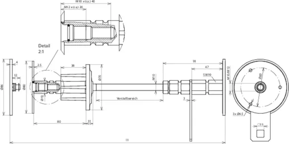
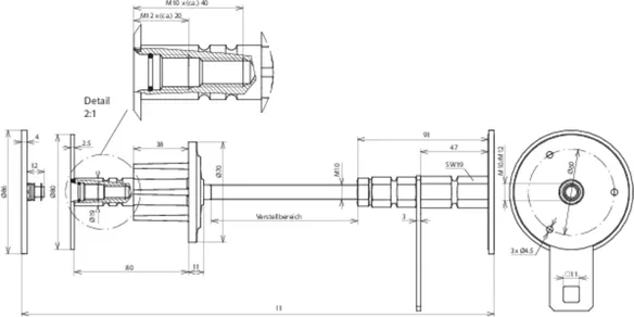
Der elektrische Anschluss an den Ringerder ist auch wasserundurchlässig auszuführen. DEHN hat bei der Entwicklung der wasserdichten Wanddurchführung die Anforderungen, die an Weiße Wannen gestellt werden, auch auf das Produkt übertragen. Aufgrund dessen wurde bei der Entwicklung explizit darauf geachtet, dass möglichst reale Bauteileanforderungen abgebildet werden. So wurden die Prüflinge in einem Betonkörper einbetoniert (Bild 1) und anschließend einer Druckwasserprüfung unterzogen. In der regulären Bautechnik sind Einbausituationen bis zu einer Tiefe von 10 m üblich (z. B. Tiefgaragen). Diese Einbausituation wurde auf die Prüflinge übertragen und diese mit einem Wasserdruck von 1 bar beaufschlagt (Bild 2). Nach dem Aushärtevorgang des verwendeten Betons wurden die Prüflinge mit Wasserdruck geprüft und durch eine Langzeitprüfung (65 Stunden) auf Wasserdichtheit kontrolliert.
Einen erhöhten Schwierigkeitsgrad bei Durchführungen stellt die Kapillarwirkung dar. Darunter ist zu verstehen, dass sich Flüssigkeiten (z. B. Wasser) in engen Spalten oder Röhren verschieden gut ausbreiten und sich förmlich in das Gebäudeinnere ziehen oder saugen. Diese möglichen engen Spalten oder Röhren können durch den Aushärtevorgang und dem damit verbundenen Schwundverhalten des Betons verursacht werden.
Auch während des Einbaus der Wanddurchführung in die Schalung ist es deshalb wichtig, fachgerecht und korrekt zu arbeiten, wie es im Detail in der zugehörigen Montageanleitung beschrieben ist.

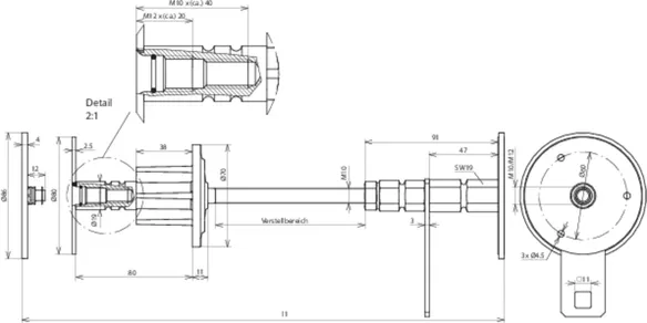
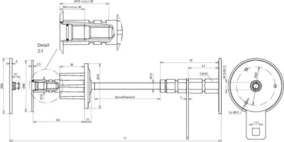
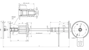
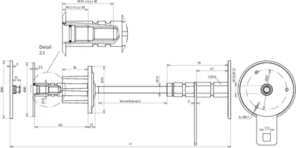
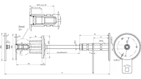
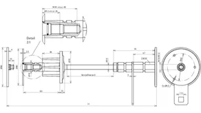
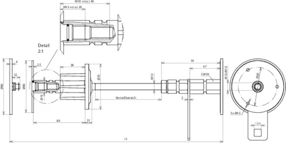
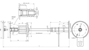
– Ausführung für den Schalungseinbau mit Wassersperre und Doppelgewinde M10 / M12 zum Anschluss z. B. an die Potentialausgleichsschiene
– verstellbar je nach Wandstärke mit Gewinde M10 und Kontermutter
– die Durchführung kann gegebenenfalls auch am Gewinde gekürzt werden
– inkl. Anschlussstück (St/tZn Abm. 30 x 4 mm) mit Vierkantloch für den Anschluss mit Klemmbock bei Rundleitern oder Kreuzstück bei Flachbändern

3 Produkte

Art.-Nr. 478530 WD M10 12 V4A DWD L200 300 STTZN

GTIN 4013364120341, Zolltarifnr. (EU): 85359000, Bruttogewicht: 697.00 g, VPE: 10.00 Stk.


Abbildungen

Weitere Information

Druckwasserdichte Wanddurchführung für Weiße Wanne NIRO (V4A)
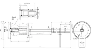
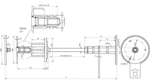
Wasserdichte Wanddurchführung, für Weiße Wanne ist geeignet
für die druckwasserdichte Durchführung von
Wänden, z. B. zum Verbinden des Ringerders mit der
Potentialausgleichschiene oder dem
Potentialausgleichsleiter im Fundament.
Werkstoff Platte: NIRO (V4A)
Werkstoff-Nr.: 1.4571 / 1.4404 / 1.4401
Werkstoff Achse: St/tZn
Wandstärke: 200-300 mm
Anschlussgewinde: M10 / 12
Normenbezug: DIN EN 62561-(1+5)

Fabrikat: DEHN
Typ: WD M10 12 V4A DWD L200 300 STTZN
Art.-Nr.: 478530
oder gleichwertig.

Zertifikate

 

Technische Daten

Werkstoff Platte NIRO (V4A)
Werkstoff-Nr. 1.4571 / 1.4404 / 1.4401
Werkstoff Achse St/tZn
Wandstärke (l1) 200-300 mm
Anschlussgewinde M10 / 12
Anschlussplatte Ø 80 mm
Normenbezug DIN EN 62561-(1+5)

Artikel 478530 wurde zum Merkzettel hinzugefügt.

Zum Merkzettel

Artikel 478530 wurde zum Warenkorb hinzugefügt.

Zum Warenkorb

Art.-Nr. 478540 WD M10 12 V4A DWD L300 400 STTZN

GTIN 4013364120358, Zolltarifnr. (EU): 85359000, Bruttogewicht: 750.00 g, VPE: 4.00 Stk.


Abbildungen

Weitere Information

Druckwasserdichte Wanddurchführung für Weiße Wanne NIRO (V4A)
Wasserdichte Wanddurchführung, für Weiße Wanne ist
geeignet für die druckwasserdichte Durchführung von
Wänden, z. B. zum Verbinden des Ringerders mit der
Potentialausgleichschiene oder dem
Potentialausgleichsleiter im Fundament.
Werkstoff Platte: NIRO (V4A)
Werkstoff-Nr.: 1.4571 / 1.4404 / 1.4401
Werkstoff Achse: St/tZn
Wandstärke: 300-400 mm
Anschlussgewinde: M10 / 12
Normenbezug: DIN EN 62561-(1+5)

Fabrikat: DEHN
Typ: WD M10 12 V4A DWD L300 400 STTZN
Art.-Nr.: 478540
oder gleichwertig.

Zertifikate

 

Technische Daten

Werkstoff Platte NIRO (V4A)
Werkstoff-Nr. 1.4571 / 1.4404 / 1.4401
Werkstoff Achse St/tZn
Wandstärke (l1) 300-400 mm
Anschlussgewinde M10 / 12
Anschlussplatte Ø 80 mm
Normenbezug DIN EN 62561-(1+5)

Artikel 478540 wurde zum Merkzettel hinzugefügt.

Zum Merkzettel

Artikel 478540 wurde zum Warenkorb hinzugefügt.

Zum Warenkorb

Art.-Nr. 478550 WD M10 12 V4A DWD L400 500 STTZN

GTIN 4013364120365, Zolltarifnr. (EU): 85359000, Bruttogewicht: 838.50 g, VPE: 4.00 Stk.


Abbildungen

Weitere Information

Druckwasserdichte Wanddurchführung für Weiße Wanne NIRO (V4A)
Wasserdichte Wanddurchführung, für Weiße Wanne ist
geeignet für die druckwasserdichte Durchführung von
Wänden, z. B. zum Verbinden des Ringerders mit der
Potentialausgleichschiene oder dem
Potentialausgleichsleiter im Fundament.
Werkstoff Platte: NIRO (V4A)
Werkstoff-Nr.: 1.4571 / 1.4404 / 1.4401
Werkstoff Achse: St/tZn
Wandstärke: 400-500 mm
Anschlussgewinde: M10 / 12
Normenbezug: DIN EN 62561-(1+5)

Fabrikat: DEHN
Typ: WD M10 12 V4A DWD L400 500 STTZN
Art.-Nr.: 478550
oder gleichwertig.

Zertifikate

 

Technische Daten

Werkstoff Platte NIRO (V4A)
Werkstoff-Nr. 1.4571 / 1.4404 / 1.4401
Werkstoff Achse St/tZn
Wandstärke (l1) 400-500 mm
Anschlussgewinde M10 / 12
Anschlussplatte Ø 80 mm
Normenbezug DIN EN 62561-(1+5)

Artikel 478550 wurde zum Merkzettel hinzugefügt.

Zum Merkzettel

Artikel 478550 wurde zum Warenkorb hinzugefügt.

Zum Warenkorb

nach oben