Ihre Services im Dashboard..
Registriert nutzen Sie das komplette Angebot.

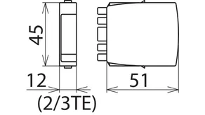
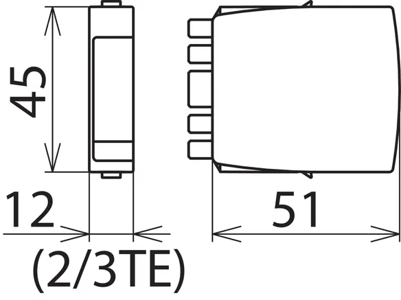
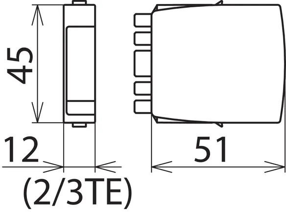
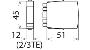
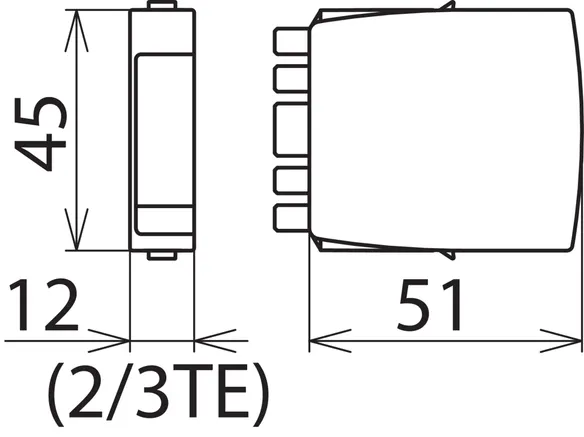
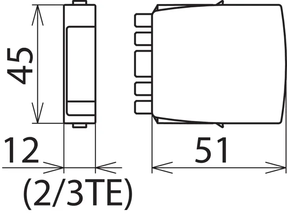
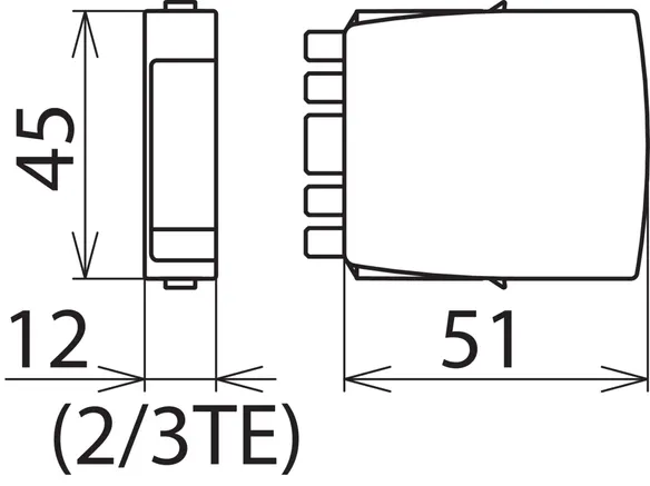
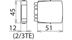
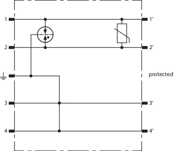
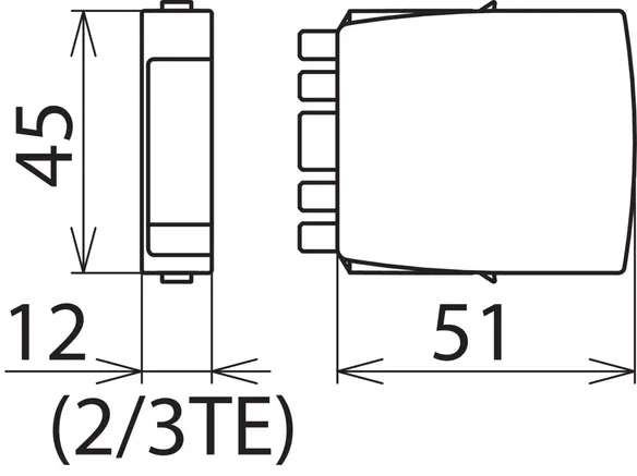
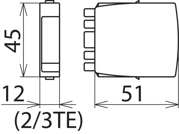
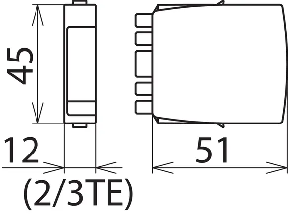
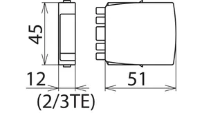
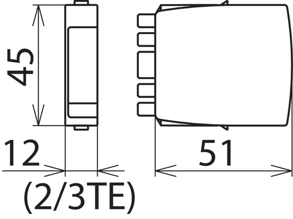
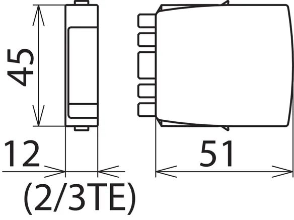
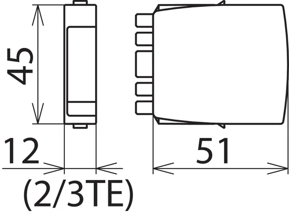
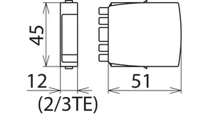
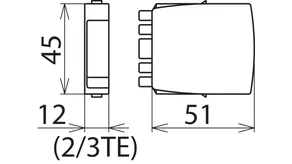
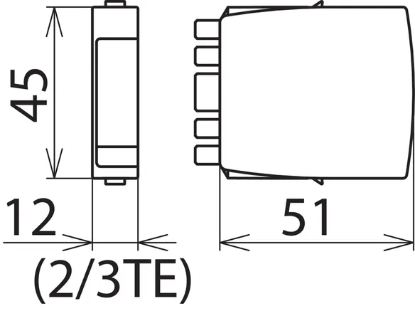
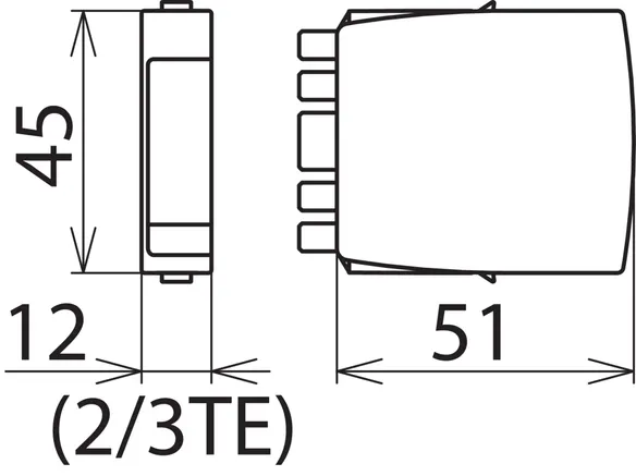
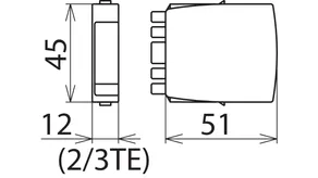
BLITZDUCTOR XT – Ableiter-Module

Kombinierter Blitzstrom- und Überspannungs-Ableiter
  • Höchstes Ableitvermögen für zwei-, drei- oder vierpolige Schnittstellen
  • Blitzstromtragfähig bis 10 kA (10/350 µs)
  • Niedriger Schutzpegel, auch für Endgeräteschutz geeignet
Mit integrierter LifeCheck-Überwachung
  • Ermöglicht die Ableiterprüfung im laufenden Betrieb
  • Erkennt eine Vorbelastung des Ableiters
  • Hohe Signalverfügbarkeit durch vorbeugenden Ableiteraustausch
Ableiter teilbar in Schutzmodul und Basisteil
  • Vibrations- und schockgeprüft für den sicheren Betrieb
  • Alle Schutzkomponenten im Ableiter-Modul integriert
  • Zwei universelle Basisteile wahlweise mit / ohne Signaltrennung verfügbar
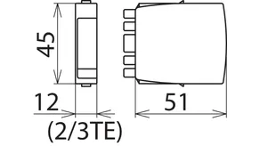
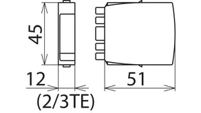
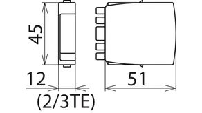
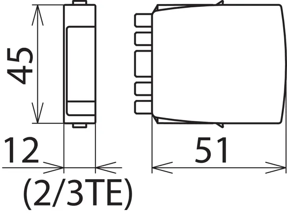
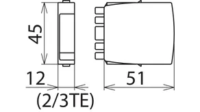
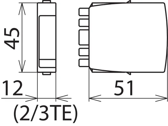
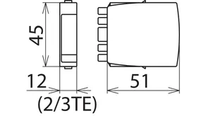
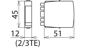
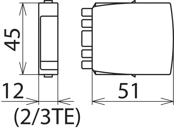
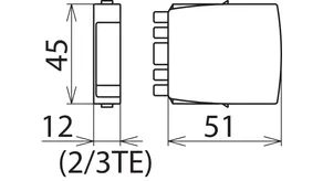
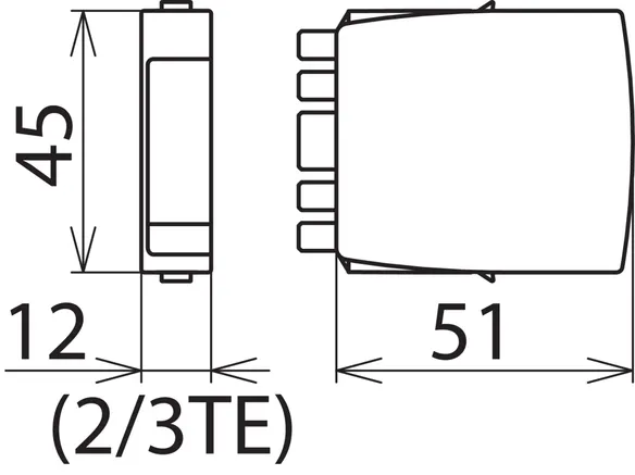
  • Minimaler Platzbedarf, 4 Einzeladern oder 2 Doppel­adern auf 12 mm Baubreite

Details

Zweiteiliger Aufbau mit universellem Basisteil und anwendungsspezifischem Ableiter-Modul.
lorem ipsum
Vibrations- und verpolungssichere Modulverrastung.
lorem ipsum
EMV-Federklemme als Zubehör für dauerhafte, niederimpedante Schirmkontaktierung.
lorem ipsum
Alle Schutzelemente im Steckmodul integriert und LifeCheck überwacht.
lorem ipsum

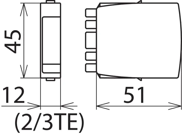
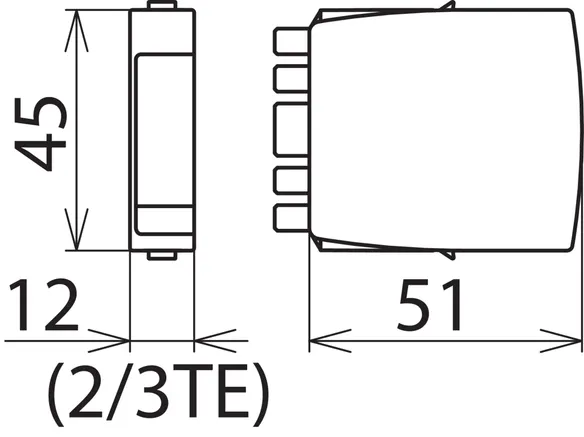
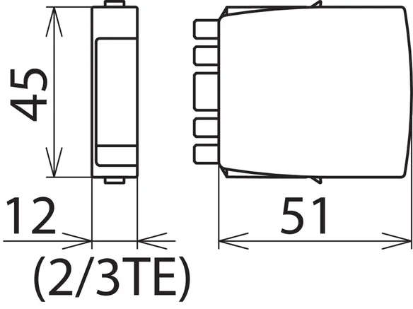
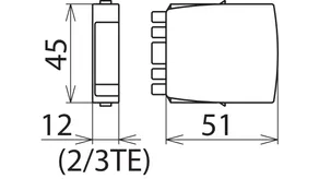
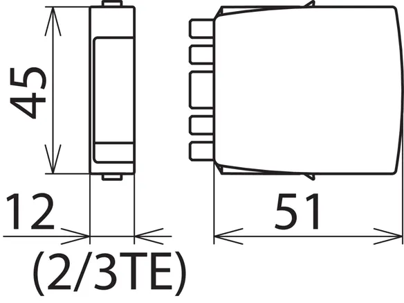
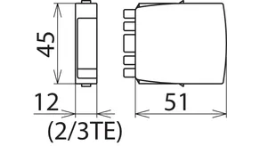
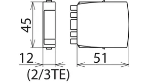
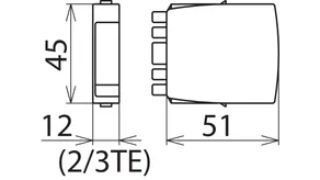
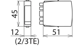
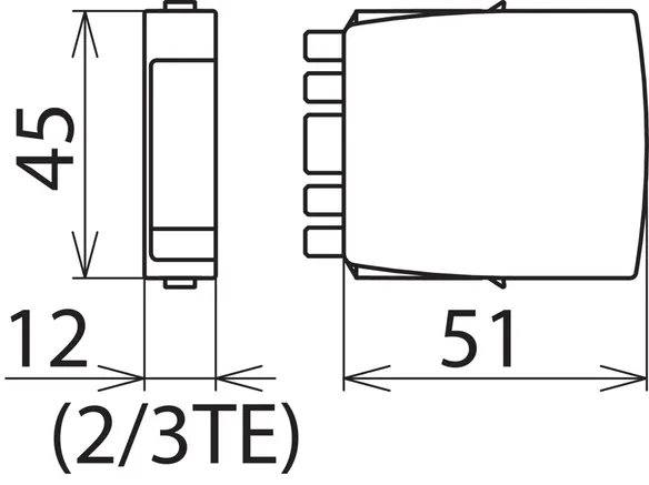
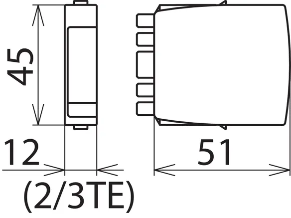
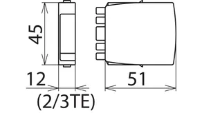
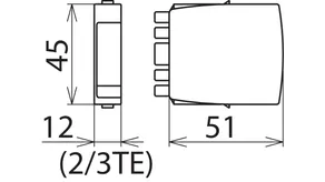
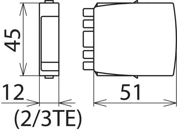
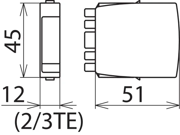
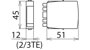
BXT ML4 B 180

Platzsparendes vierpoliges Blitzstrom-Ableiter-Modul mit RFID-LifeCheck für nahezu alle Anwendungen. Einsetzbar in Verbindung mit nachgeordnetem Überspannungs-Ableiter Q oder Kombi-Ableiter niedrigerer oder gleicher Spannungsebene. LifeCheck erkennt thermische oder elektrische Überlastzustände nach denen der Ableiter auszutauschen ist. Die Anzeige erfolgt berührungslos mittels DEHNrecord LC / SCM / MCM.

1 Produkt

Art.-Nr. 920310 BXT ML4 B 180

GTIN 4013364109124, Zolltarifnr. (EU): 85363010, Bruttogewicht: 31.60 g, VPE: 1.00 Stk.

Vorgänger

Abbildungen

Weitere Information

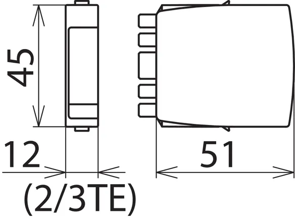
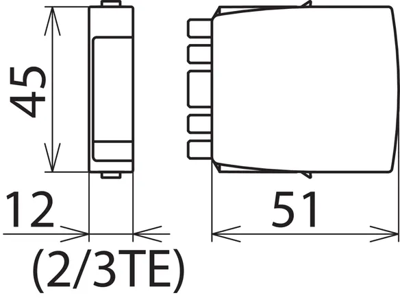
Blitzstrom-Ableiter-Modul mit LifeCheck BLITZDUCTOR XT BXT ML4 B 180
Blitzstrom-Ableiter-Schutzmodul
der Ableiterklasse Type 1 /P1 BLITZDUCTOR XT,
geprüft nach EN 61643-21 und
energetisch koordiniert nach
IEC 61643-22 zum Schutz von 4 Einzeladern
Mit integriertem LifeCheckfür berührungs-
lose Ableiterprüfung Einsteckbar
in Basisteil BXT BAS / BSP BAS 4.
Höchste Dauerspannung DC: 180 V
Nennstrom bei 45 °C: 1,2 A
D1 Blitzstoßstrom (10/350 µs) gesamt: 10 kA
D1 Blitzstoßstrom (10/350 µs) pro Ader: 2,5 kA

Fabrikat: DEHN
Typ: BXT ML4 B 180
Art.-Nr.: 920310
oder gleichwertig.

Zertifikate

 

Technische Daten

Ableiterklasse H
Höchste Dauerspannung DC (UC ) 180 V
Nennstrom bei 45 °C (IL ) 1,2 A
D1 Blitzstoßstrom (10/350 µs) gesamt (Iimp ) 10 kA
C2 Nennableitstoßstrom (8/20 µs) gesamt (In ) 20 kA
Serienimpedanz pro Ader 0,4 Ohm
Zulassungen CSA, ATEX, IECEx, CSA & USA Hazloc, SIL
*) Details siehe: www.dehn.de

Artikel 920310 wurde zum Merkzettel hinzugefügt.

Zum Merkzettel

Artikel 920310 wurde zum Warenkorb hinzugefügt.

Zum Warenkorb

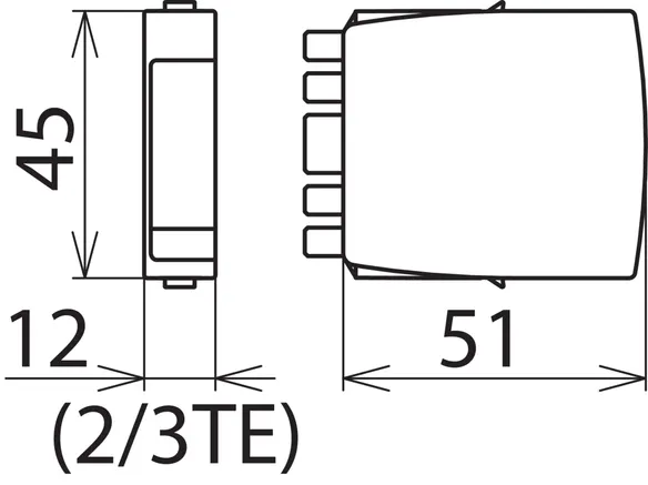
BXT ML4 BE 5 – BE 180

Platzsparendes Kombi-Ableiter-Modul mit RFID-LifeCheck zum Schutz von 4 Einzeladern mit gemeinsamem Bezugspotential sowie unsymmetrischer Schnittstellen. LifeCheck erkennt thermische oder elektrische Überlastzustände nach denen der Ableiter auszutauschen ist. Die Anzeige erfolgt berührungslos mittels DEHNrecord LC / SCM / MCM.

7 Produkte

Art.-Nr. 920320 BXT ML4 BE 5

GTIN 4013364109032, Zolltarifnr. (EU): 85363010, Bruttogewicht: 31.00 g, VPE: 1.00 Stk.

Vorgänger

Abbildungen

Weitere Information

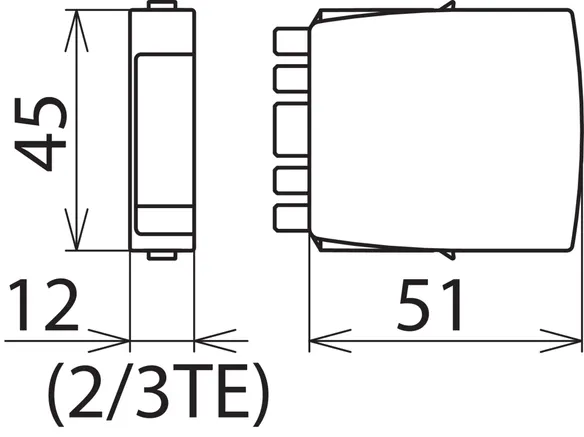
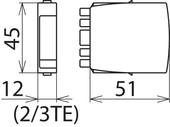
Kombi-Ableiter-Modul mit LifeCheck BLITZDUCTOR XT BE 5
Kombi-Ableiter-Schutzmodul der
Ableiterklasse Type 1 / P1 BLITZDUCTOR XT,
geprüft nach EN 61643-21 und energetisch koordiniert nach
IEC 61643-22 zum Schutz von 4 Einzeladern.
Mit integriertem LifeCheck für berührungslose Ableiterprüfung
Einsteckbarin Basisteil BXT BAS / BSP BAS 4.
Höchste Dauerspannung DC: 6 V
Nennstrom bei 45 °C: 1,0 A
D1 Blitzstoßstrom (10/350 µs) gesamt: 10 kA
D1 Blitzstoßstrom (10/350 µs) pro Ader: 2,5 kA

Fabrikat: DEHN
Typ: BXT ML4 BE 5
Art.-Nr.: 920320
oder gleichwertig.

Zertifikate

 

Technische Daten

Ableiterklasse M
Höchste Dauerspannung DC (UC ) 6 V
Nennstrom bei 45 °C (IL ) 1,0 A
D1 Blitzstoßstrom (10/350 µs) gesamt (Iimp ) 10 kA
C2 Nennableitstoßstrom (8/20 µs) gesamt (In ) 20 kA
Serienimpedanz pro Ader 1,0 Ohm
Grenzfrequenz Ad-PG (fG ) 1,0 MHz
Zulassungen CSA, UL 497B, ATEX, IECEx, CSA & USA Hazloc, SIL
*) Details siehe: www.dehn.de

Artikel 920320 wurde zum Merkzettel hinzugefügt.

Zum Merkzettel

Artikel 920320 wurde zum Warenkorb hinzugefügt.

Zum Warenkorb

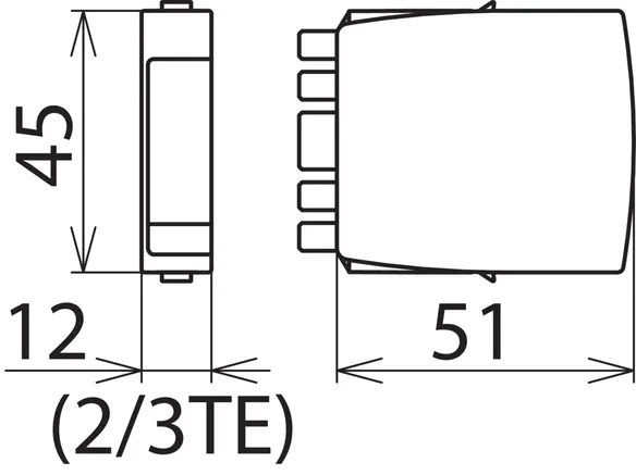
Art.-Nr. 920322 BXT ML4 BE 12

GTIN 4013364109049, Zolltarifnr. (EU): 85363010, Bruttogewicht: 30.70 g, VPE: 1.00 Stk.

Vorgänger

Abbildungen

Weitere Information

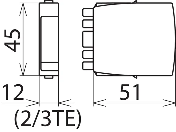
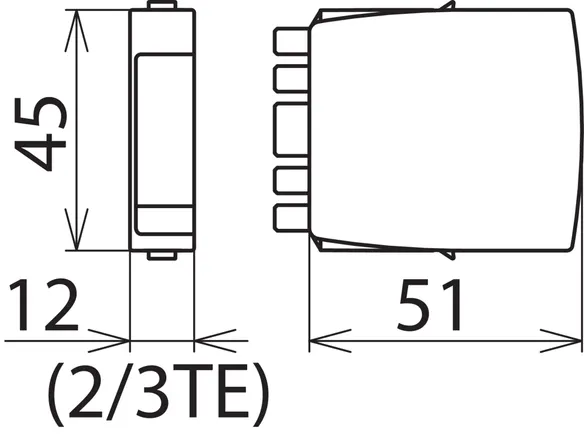
Kombi-Ableiter-Modul mit LifeCheck BLITZDUCTOR XT BE 12
Kombi-Ableiter-Schutzmodul der
Ableiterklasse Type 1 / P1 BLITZDUCTOR XT,
geprüft nach EN 61643-21 und energetisch koordiniert nach
IEC 61643-22 zum Schutz von 4 Einzeladern .
Mit integriertem LifeCheck für berührungslose Ableiterprüfung.
Einsteckbar in Basisteil BXT BAS / BSP BAS 4.
Höchste Dauerspannung DC: 15 V
Nennstrom bei 45 °C: 0,75 A
D1 Blitzstoßstrom (10/350 µs) gesamt: 10 kA
D1 Blitzstoßstrom (10/350 µs) pro Ader: 2,5 kA

Fabrikat: DEHN
Typ: BXT ML4 BE 12
Art.-Nr.: 920322
oder gleichwertig.

Zertifikate

 

Technische Daten

Ableiterklasse M
Höchste Dauerspannung DC (UC ) 15 V
Nennstrom bei 45 °C (IL ) 0,75 A
D1 Blitzstoßstrom (10/350 µs) gesamt (Iimp ) 10 kA
C2 Nennableitstoßstrom (8/20 µs) gesamt (In ) 20 kA
Serienimpedanz pro Ader 1,8 Ohm
Grenzfrequenz Ad-PG (fG ) 2,7 MHz
Zulassungen CSA, UL 497B, ATEX, IECEx, CSA & USA Hazloc, SIL
*) Details siehe: www.dehn.de

Artikel 920322 wurde zum Merkzettel hinzugefügt.

Zum Merkzettel

Artikel 920322 wurde zum Warenkorb hinzugefügt.

Zum Warenkorb

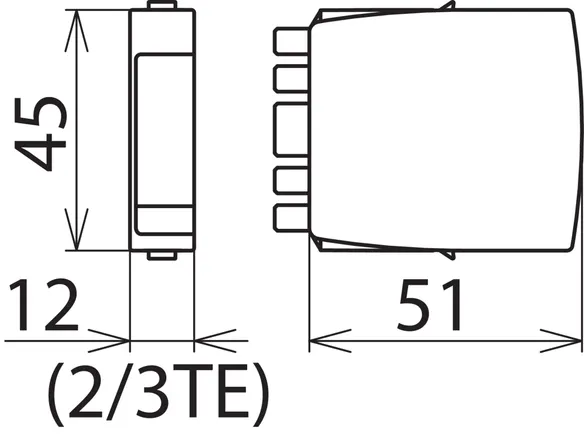
Art.-Nr. 920324 BXT ML4 BE 24

GTIN 4013364109056, Zolltarifnr. (EU): 85363010, Bruttogewicht: 45.00 g, VPE: 1.00 Stk.

Vorgänger

Abbildungen

Weitere Information

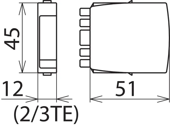
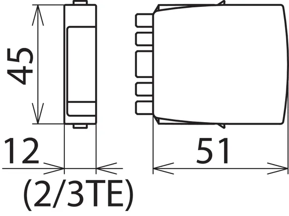
Kombi-Ableiter-Modul mit LifeCheck BLITZDUCTOR XT BE 24
Kombi-Ableiter-Schutzmodul der
Ableiterklasse Type 1 / P1 BLITZDUCTOR XT,
geprüft nach EN 61643-21 und energetisch koordiniert nach
IEC 61643-22 zum Schutz von 4 Einzeladern.
Mit integriertem LifeCheck für berührungslose Ableiterprüfung.
Einsteckbar in Basisteil BXT BAS / BSP BAS 4.
Höchste Dauerspannung DC: 33 V
Nennstrom bei 45 °C: 0,75 A
D1 Blitzstoßstrom (10/350 µs) gesamt: 10 kA
D1 Blitzstoßstrom (10/350 µs) pro Ader: 2,5 kA

Fabrikat: DEHN
Typ: BXT ML4 BE 24
Art.-Nr.: 920324
oder gleichwertig.

Zertifikate

 

Technische Daten

Ableiterklasse M
Höchste Dauerspannung DC (UC ) 33 V
Nennstrom bei 45 °C (IL ) 0,75 A
D1 Blitzstoßstrom (10/350 µs) gesamt (Iimp ) 10 kA
C2 Nennableitstoßstrom (8/20 µs) gesamt (In ) 20 kA
Serienimpedanz pro Ader 1,8 Ohm
Grenzfrequenz Ad-PG (fG ) 6,8 MHz
Zulassungen CSA, UL 497B, ATEX, IECEx, CCC, CSA & USA Hazloc, SIL
*) Details siehe: www.dehn.de

Artikel 920324 wurde zum Merkzettel hinzugefügt.

Zum Merkzettel

Artikel 920324 wurde zum Warenkorb hinzugefügt.

Zum Warenkorb

Art.-Nr. 920336 BXT ML4 BE 36

GTIN 4013364118539, Zolltarifnr. (EU): 85363010, Bruttogewicht: 47.50 g, VPE: 1.00 Stk.


Abbildungen

Weitere Information

Kombi-Ableiter-Modul mit LifeCheck BLITZDUCTOR XT BE 36
Kombi-Ableiter-Schutzmodul der
Ableiterklasse Type 1 / P1 BLITZDUCTOR XT,
geprüft nach EN 61643-21 und energetisch koordiniert nach IEC 61643-22 zum Schutz von 4 Einzeladern.
Mit integriertem LifeCheck für berührungsose Ableiterprüfung.
Einsteckbar in Basisteil BXT BAS / BSP BAS 4.
Höchste Dauerspannung DC: 45 V
Nennstrom bei 45 °C: 1,8 A
D1 Blitzstoßstrom (10/350 µs) gesamt: 10 kA
D1 Blitzstoßstrom (10/350 µs) pro Ader: 2,5 kA

Fabrikat: DEHN
Typ: BXT ML4 BE 36
Art.-Nr.: 920336
oder gleichwertig.

Zertifikate

 

Technische Daten

Ableiterklasse M
Höchste Dauerspannung DC (UC ) 45 V
Nennstrom bei 45 °C (IL ) 1,8 A
D1 Blitzstoßstrom (10/350 µs) gesamt (Iimp ) 10 kA
C2 Nennableitstoßstrom (8/20 µs) gesamt (In ) 20 kA
Serienimpedanz pro Ader 0,43 Ohm
Grenzfrequenz Ad-PG (fG ) 3,8 MHz
Zulassungen UL 497B, ATEX, IECEx, CSA & USA Hazloc, SIL
*) Details siehe: www.dehn.de

Artikel 920336 wurde zum Merkzettel hinzugefügt.

Zum Merkzettel

Artikel 920336 wurde zum Warenkorb hinzugefügt.

Zum Warenkorb

Art.-Nr. 920325 BXT ML4 BE 48

GTIN 4013364109063, Zolltarifnr. (EU): 85363010, Bruttogewicht: 31.20 g, VPE: 1.00 Stk.

Vorgänger

Abbildungen

Weitere Information

Kombi-Ableiter-Modul mit LifeCheck BLITZDUCTOR XT BE 48
Kombi-Ableiter-Schutzmodul der
Ableiterklasse Type 1 / P1 BLITZDUCTOR XT,
geprüft nach EN 61643-21 und energetisch koordiniert nach
IEC 61643-22 zum Schutz von 4 Einzeladern.
Mit integriertem LifeCheck für berührungslose Ableiterprüfung.
Einsteckbar in Basisteil BXT BAS / BSP BAS 4.
Höchste Dauerspannung DC: 54 V
Nennstrom bei 45 °C: 0,75 A
D1 Blitzstoßstrom (10/350 µs) gesamt: 10 kA
D1 Blitzstoßstrom (10/350 µs) pro Ader: 2,5 kA

Fabrikat: DEHN
Typ: BXT ML4 BE 48
Art.-Nr.: 920325
oder gleichwertig.

Zertifikate

 

Technische Daten

Ableiterklasse M
Höchste Dauerspannung DC (UC ) 54 V
Nennstrom bei 45 °C (IL ) 0,75 A
D1 Blitzstoßstrom (10/350 µs) gesamt (Iimp ) 10 kA
C2 Nennableitstoßstrom (8/20 µs) gesamt (In ) 20 kA
Serienimpedanz pro Ader 1,8 Ohm
Grenzfrequenz Ad-PG (fG ) 8,7 MHz
Zulassungen CSA, UL 497B, ATEX, IECEx, CSA & USA Hazloc, SIL
*) Details siehe: www.dehn.de

Artikel 920325 wurde zum Merkzettel hinzugefügt.

Zum Merkzettel

Artikel 920325 wurde zum Warenkorb hinzugefügt.

Zum Warenkorb

Art.-Nr. 920326 BXT ML4 BE 60

GTIN 4013364109070, Zolltarifnr. (EU): 85363010, Bruttogewicht: 31.00 g, VPE: 1.00 Stk.

Vorgänger

Abbildungen

Weitere Information

Kombi-Ableiter-Modul mit LifeCheck BLITZDUCTOR XT BE 60
Überspannungs-Ableiter-Schutzmodul
der Ableiterklasse Type 2 / P1 BLITZDUCTOR SP,
geprüft nach EN 61643-21 und energetisch koordiniert nach
IEC 61643-22 zum Schutz von 4 Einzeladern.
Mit integeriertem LifeCheck für berührungslose Ableiterprüfung.
Einsteckbarin Basisteil BXT BAS / BSP BAS 4.
Höchste Dauerspannung DC: 70 V
Nennstrom bei 45 °C: 1,0 A
D1 Blitzstoßstrom (10/350 µs) gesamt: 10 kA
D1 Blitzstoßstrom (10/350 µs) pro Ader: 2,5 kA

Fabrikat: DEHN
Typ: BXT ML4 BE 60
Art.-Nr.: 920326
oder gleichwertig.

Zertifikate

 

Technische Daten

Ableiterklasse M
Höchste Dauerspannung DC (UC ) 70 V
Nennstrom bei 45 °C (IL ) 1,0 A
D1 Blitzstoßstrom (10/350 µs) gesamt (Iimp ) 10 kA
C2 Nennableitstoßstrom (8/20 µs) gesamt (In ) 20 kA
Serienimpedanz pro Ader 1,0 Ohm
Grenzfrequenz Ad-PG (fG ) 9,0 MHz
Zulassungen CSA, UL 497B, ATEX, IECEx, CSA & USA Hazloc, SIL
*) Details siehe: www.dehn.de

Artikel 920326 wurde zum Merkzettel hinzugefügt.

Zum Merkzettel

Artikel 920326 wurde zum Warenkorb hinzugefügt.

Zum Warenkorb

Art.-Nr. 920327 BXT ML4 BE 180

GTIN 4013364109087, Zolltarifnr. (EU): 85363010, Bruttogewicht: 31.30 g, VPE: 1.00 Stk.

Vorgänger

Abbildungen

Weitere Information

Kombi-Ableiter-Modul mit LifeCheck BLITZDUCTOR XT BE 180
Kombi-Ableiter-Schutzmodul der
Ableiterklasse Type 1 / P2 BLITZDUCTOR XT,
geprüft nach EN 61643-21 und energetisch koordiniert nach
IEC 61643-22 zum Schutz von 4 Einzeladern.
Mit integriertem LifeCheck für berührungslose Ableiterprüfung.
Einsteckbar in Basisteil BXT BAS / BSP BAS 4.
Höchste Dauerspannung DC: 180 V
Nennstrom bei 45 °C: 1,0 A
D1 Blitzstoßstrom (10/350 µs) gesamt: 10 kA
D1 Blitzstoßstrom (10/350 µs) pro Ader: 2,5 kA

Fabrikat: DEHN
Typ: BXT ML4 BE 180
Art.-Nr.: 920327
oder gleichwertig.

Zertifikate

 

Technische Daten

Ableiterklasse L
Höchste Dauerspannung DC (UC ) 180 V
Nennstrom bei 45 °C (IL ) 1,0 A
D1 Blitzstoßstrom (10/350 µs) gesamt (Iimp ) 10 kA
C2 Nennableitstoßstrom (8/20 µs) gesamt (In ) 20 kA
Serienimpedanz pro Ader 1,0 Ohm
Grenzfrequenz Ad-PG (fG ) 25,0 MHz
Zulassungen CSA, UL 497B, ATEX, IECEx, CSA & USA Hazloc, SIL
*) Details siehe: www.dehn.de

Artikel 920327 wurde zum Merkzettel hinzugefügt.

Zum Merkzettel

Artikel 920327 wurde zum Warenkorb hinzugefügt.

Zum Warenkorb

BXT ML4 BD 5 – BD 180

Platzsparendes Kombi-Ableiter-Modul mit RFID-LifeCheck zum Schutz von 2 Doppeladern erdpotentialfreier symmetrischer Schnittstellen. LifeCheck erkennt thermische oder elektrische Überlastzustände nach denen der Ableiter auszutauschen ist. Die Anzeige erfolgt berührungslos mittels DEHNrecord LC / SCM / MCM.

6 Produkte

Art.-Nr. 920340 BXT ML4 BD 5

GTIN 4013364108967, Zolltarifnr. (EU): 85363010, Bruttogewicht: 30.10 g, VPE: 1.00 Stk.

Vorgänger

Abbildungen

Weitere Information

Kombi-Ableiter-Modul mit LifeCheck BLITZDUCTOR XT BD 5
Kombi-Ableiter-Schutzmodul der
Ableiterklasse Type 1 / P1 BLITZDUCTOR XT,
geprüft nach EN 61643-21 und energetisch koordiniert nach
IEC 61643-22 zum Schutz zweier Doppeladern.
Mit integriertem LifeCheck für berührungslose Ableiterprüfung.
Einsteckbar in Basisteil BXT BAS / BSP BAS 4.
Höchste Dauerspannung DC: 6,0 V
Nennstrom bei 45 °C: 1,0 A
D1 Blitzstoßstrom (10/350 µs) gesamt: 10 kA
D1 Blitzstoßstrom (10/350 µs) pro Ader: 2,5 kA

Fabrikat: DEHN
Typ: BXT ML4 BD 5
Art.-Nr.: 920340
oder gleichwertig.

Zertifikate

 

Technische Daten

Ableiterklasse M
Höchste Dauerspannung DC (UC ) 6,0 V
Nennstrom bei 45 °C (IL ) 1,0 A
D1 Blitzstoßstrom (10/350 µs) gesamt (Iimp ) 10 kA
C2 Nennableitstoßstrom (8/20 µs) gesamt (In ) 20 kA
Serienimpedanz pro Ader 1,0 Ohm
Grenzfrequenz Ad-Ad (fG ) 1,0 MHz
Zulassungen CSA, UL 497B, ATEX, IECEx, CSA & USA Hazloc, SIL
*) Details siehe: www.dehn.de

Artikel 920340 wurde zum Merkzettel hinzugefügt.

Zum Merkzettel

Artikel 920340 wurde zum Warenkorb hinzugefügt.

Zum Warenkorb

Art.-Nr. 920342 BXT ML4 BD 12

GTIN 4013364108974, Zolltarifnr. (EU): 85363010, Bruttogewicht: 30.30 g, VPE: 1.00 Stk.

Vorgänger

Abbildungen

Weitere Information

Kombi-Ableiter-Modul mit LifeCheck BLITZDUCTOR XT BD 12
Kombi-Ableiter-Schutzmodul der
Ableiterklasse Type 1 / P1 BLITZDUCTOR XT,
geprüft nach EN 61643-21 und energetisch koordiniert nach
IEC 61643-22 zum Schutz zweier Doppeladern.
Mit integriertem LifeCheck für berührungslose Ableiterprüfung.
Einsteckbar in Basisteil BXT BAS / BSP BAS 4.
Höchste Dauerspannung DC: 15 V
Nennstrom bei 45 °C: 1,0 A
D1 Blitzstoßstrom (10/350 µs) gesamt: 10 kA
D1 Blitzstoßstrom (10/350 µs) pro Ader: 2,5 kA

Fabrikat: DEHN
Typ: BXT ML4 BD 12
Art.-Nr.: 920342
oder gleichwertig.

Zertifikate

 

Technische Daten

Ableiterklasse M
Höchste Dauerspannung DC (UC ) 15 V
Nennstrom bei 45 °C (IL ) 1,0 A
D1 Blitzstoßstrom (10/350 µs) gesamt (Iimp ) 10 kA
C2 Nennableitstoßstrom (8/20 µs) gesamt (In ) 20 kA
Serienimpedanz pro Ader 1,0 Ohm
Grenzfrequenz Ad-Ad (fG ) 2,8 MHz
Zulassungen CSA, UL 497B, ATEX, IECEx, CSA & USA Hazloc, SIL
*) Details siehe: www.dehn.de

Artikel 920342 wurde zum Merkzettel hinzugefügt.

Zum Merkzettel

Artikel 920342 wurde zum Warenkorb hinzugefügt.

Zum Warenkorb

Art.-Nr. 920344 BXT ML4 BD 24

GTIN 4013364108981, Zolltarifnr. (EU): 85363010, Bruttogewicht: 45.30 g, VPE: 1.00 Stk.

Vorgänger

Abbildungen

Weitere Information

Kombi-Ableiter-Modul mit LifeCheck BLITZDUCTOR XT BD 24
Kombi-Ableiter-Schutzmodul der
Ableiterklasse Type 1 / P1 BLITZDUCTOR XT,
geprüft nach EN 61643-21 und energetisch koordiniert nach IEC 61643-22 zum Schutz zweier Doppeladern.
Mit integriertem LifeCheck für berührungslose Ableiterprüfung.
Einsteckbar in Basisteil BXT BAS / BSP BAS 4.
Höchste Dauerspannung DC: 33 V
Nennstrom bei 45 °C: 1,0 A
D1 Blitzstoßstrom (10/350 µs) gesamt: 10 kA
D1 Blitzstoßstrom (10/350 µs) pro Ader: 2,5 kA

Fabrikat: DEHN
Typ: BXT ML4 BD 24
Art.-Nr.: 920344
oder gleichwertig.

Zertifikate

 

Technische Daten

Ableiterklasse M
Höchste Dauerspannung DC (UC ) 33 V
Nennstrom bei 45 °C (IL ) 1,0 A
D1 Blitzstoßstrom (10/350 µs) gesamt (Iimp ) 10 kA
C2 Nennableitstoßstrom (8/20 µs) gesamt (In ) 20 kA
Serienimpedanz pro Ader 1,0 Ohm
Grenzfrequenz Ad-Ad (fG ) 7,8 MHz
Zulassungen CSA, UL 497B, ATEX, IECEx, CCC, CSA & USA Hazloc, SIL
*) Details siehe: www.dehn.de

Artikel 920344 wurde zum Merkzettel hinzugefügt.

Zum Merkzettel

Artikel 920344 wurde zum Warenkorb hinzugefügt.

Zum Warenkorb

Art.-Nr. 920345 BXT ML4 BD 48

GTIN 4013364108998, Zolltarifnr. (EU): 85363010, Bruttogewicht: 30.50 g, VPE: 1.00 Stk.

Vorgänger

Abbildungen

Weitere Information

Kombi-Ableiter-Modul mit LifeCheck BLITZDUCTOR XT BD 48
Kombi-Ableiter-Schutzmodul der
Ableiterklasse Type 1 / P1 BLITZDUCTOR XT,
geprüft nach EN 61643-21 und energetisch koordiniert nach
IEC 61643-22 zum Schutz zweier Doppeladern.
Mit integriertem LifeCheck für berührungslose Ableiterprüfung.
Einsteckbar in Basisteil BXT BAS / BSP BAS 4.
Höchste Dauerspannung DC: 54 V
Nennstrom bei 45 °C: 1,0 A
D1 Blitzstoßstrom (10/350 µs) gesamt: 10 kA
D1 Blitzstoßstrom (10/350 µs) pro Ader: 2,5 kA

Fabrikat: DEHN
Typ: BXT ML4 BD 48
Art.-Nr.: 920345
oder gleichwertig.

Zertifikate

 

Technische Daten

Ableiterklasse M
Höchste Dauerspannung DC (UC ) 54 V
Nennstrom bei 45 °C (IL ) 1,0 A
D1 Blitzstoßstrom (10/350 µs) gesamt (Iimp ) 10 kA
C2 Nennableitstoßstrom (8/20 µs) gesamt (In ) 20 kA
Serienimpedanz pro Ader 1,0 Ohm
Grenzfrequenz Ad-Ad (fG ) 8,7 MHz
Zulassungen CSA, UL 497B, ATEX, IECEx, CSA & USA Hazloc, SIL
*) Details siehe: www.dehn.de

Artikel 920345 wurde zum Merkzettel hinzugefügt.

Zum Merkzettel

Artikel 920345 wurde zum Warenkorb hinzugefügt.

Zum Warenkorb

Art.-Nr. 920346 BXT ML4 BD 60

GTIN 4013364109001, Zolltarifnr. (EU): 85363010, Bruttogewicht: 30.70 g, VPE: 1.00 Stk.

Vorgänger

Abbildungen

Weitere Information

Kombi-Ableiter-Modul mit LifeCheck BLITZDUCTOR XT BD 60
Kombi-Ableiter-Schutzmodul der
Ableiterklasse Type 1 / P1 BLITZDUCTOR XT,
geprüft nach EN 61643-21 und energetisch koordiniert nach
IEC 61643-22 zum Schutz zweier Doppeladern.
Mit integriertem LifeCheck für berührungslose Ableiterprüfung.
Einsteckbar in Basisteil BXT BAS / BSP BAS 4.
Höchste Dauerspannung DC: 70 V
Nennstrom bei 45 °C: 1,0 A
D1 Blitzstoßstrom (10/350 µs) gesamt: 10 kA
D1 Blitzstoßstrom (10/350 µs) pro Ader: 2,5 kA

Fabrikat: DEHN
Typ: BXT ML4 BD 60
Art.-Nr.: 920346
oder gleichwertig.

Zertifikate

 

Technische Daten

Ableiterklasse M
Höchste Dauerspannung DC (UC ) 70 V
Nennstrom bei 45 °C (IL ) 1,0 A
D1 Blitzstoßstrom (10/350 µs) gesamt (Iimp ) 10 kA
C2 Nennableitstoßstrom (8/20 µs) gesamt (In ) 20 kA
Serienimpedanz pro Ader 1,0 Ohm
Grenzfrequenz Ad-Ad (fG ) 11,0 MHz
Zulassungen CSA, UL 497B, ATEX, IECEx, CSA & USA Hazloc, SIL
*) Details siehe: www.dehn.de

Artikel 920346 wurde zum Merkzettel hinzugefügt.

Zum Merkzettel

Artikel 920346 wurde zum Warenkorb hinzugefügt.

Zum Warenkorb

Art.-Nr. 920347 BXT ML4 BD 180

GTIN 4013364109018, Zolltarifnr. (EU): 85363010, Bruttogewicht: 30.50 g, VPE: 1.00 Stk.

Vorgänger

Abbildungen

Weitere Information

Kombi-Ableiter-Modul mit LifeCheck BLITZDUCTOR XT BD 180
Kombi-Ableiter-Schutzmodul der
Ableiterklasse Type 1 / P1 BLITZDUCTOR XT,
geprüft nach EN 61643-21 und energetisch koordiniert nach
IEC 61643-22 zum Schutz zweier Doppeladern.
Mit integriertem LifeCheck für berührungslose Ableiterprüfung.
Einsteckbar in Basisteil BXT BAS / BSP BAS 4.
Höchste Dauerspannung DC: 180 V
Nennstrom bei 45 °C: 0,75 A
D1 Blitzstoßstrom (10/350 µs) gesamt: 10 kA
D1 Blitzstoßstrom (10/350 µs) pro Ader: 2,5 kA

Fabrikat: DEHN
Typ: BXT ML4 BD 180
Art.-Nr.: 920347
oder gleichwertig.

Zertifikate

 

Technische Daten

Ableiterklasse L
Höchste Dauerspannung DC (UC ) 180 V
Nennstrom bei 45 °C (IL ) 0,75 A
D1 Blitzstoßstrom (10/350 µs) gesamt (Iimp ) 10 kA
C2 Nennableitstoßstrom (8/20 µs) gesamt (In ) 20 kA
Serienimpedanz pro Ader 1,8 Ohm
Grenzfrequenz Ad-Ad (fG ) 25,0 MHz
Zulassungen CSA, UL 497B, ATEX, IECEx, CSA & USA Hazloc, SIL
*) Details siehe: www.dehn.de

Artikel 920347 wurde zum Merkzettel hinzugefügt.

Zum Merkzettel

Artikel 920347 wurde zum Warenkorb hinzugefügt.

Zum Warenkorb

BXT ML4 BPD 24

Platzsparendes Kombi-Ableiter-Modul mit RFID-LifeCheck zum Schutz von 2 Doppeladern in 24 V DC-Systemen. Einsatz auch bei geerdetem Minuspol geeignet. Integrierte PTC-Widerstände ermöglichen ein sicheres Rücksetzen des Ableiters nach Störbeeinflussung im Anlagenkreis mit Kurzschlussströmen bis 40 A.

1 Produkt

Art.-Nr. 920314 BXT ML4 BPD 24

GTIN 4013364261396, Zolltarifnr. (EU): 85363010, Bruttogewicht: 39.66 g, VPE: 1.00 Stk.


Abbildungen

Weitere Information

Kombi-Ableiter-Modul mit LifeCheck BLITZDUCTOR XT BPD 24
Kombi-Ableiter-Schutzmodul der Ableiterklasse Type 1 /
P1 BLITZDUCTOR XT, geprüft nach EN 61643-21 und
energetisch koordiniert nach IEC 61643-22 zum Schutz
von 2 Doppeladern in 24 V DC Systemen. Einsatz auch
bei geerdetem Minuspol geeignet. Mit integrierten PTC
Widerständen für einen Überstromschutz bis 40 A.
Anzeige mittels integriertem LifeCheck für berührungs- lose Ableiterprüfung. Einsteckbar in Basisteil BXT BAS / BSP BAS 4.
Höchste Dauerspannung DC: 33 V
Nennstrom bei 70 °C: 0,1 A
D1 Blitzstoßstrom (10/350 µs) gesamt: 10 kA
D1 Blitzstoßstrom (10/350 µs) pro Ader: 2,5 kA

Fabrikat: DEHN
Typ: BXT ML4 BPD 24
Art.-Nr.: 920314
oder gleichwertig.

Zertifikate

 

Technische Daten

Ableiterklasse M
Höchste Dauerspannung DC (UC ) 33 V
Nennstrom bei 70 °C (IL ) 0,1 A
D1 Blitzstoßstrom (10/350 µs) gesamt (Iimp ) 10 kA
C2 Nennableitstoßstrom (8/20 µs) gesamt (In ) 20 kA
Serienimpedanz pro Ader typ. 10 Ohm
Grenzfrequenz Ad-Ad (fG ) 4 MHz
Zulassungen SIL

Artikel 920314 wurde zum Merkzettel hinzugefügt.

Zum Merkzettel

Artikel 920314 wurde zum Warenkorb hinzugefügt.

Zum Warenkorb

BXT ML4 BC 5 / 24

Platzsparendes Kombi-Ableiter-Modul mit RFID-LifeCheck zum Schutz von bis zu 4 erdpotentialfreien Einzeladern mit gemeinsamem Bezugspotential. LifeCheck erkennt thermische oder elektrische Überlastzustände nach denen der Ableiter auszutauschen ist. Die Anzeige erfolgt berührungslos mittels DEHNrecord LC / SCM / MCM.

2 Produkte

Art.-Nr. 920350 BXT ML4 BC 5

GTIN 4013364109131, Zolltarifnr. (EU): 85363010, Bruttogewicht: 30.60 g, VPE: 1.00 Stk.


Abbildungen

Weitere Information

Kombi-Ableiter-Modul mit LifeCheck BLITZDUCTOR XT BXT ML4 BC 5
Kombi-Ableiter-Schutzmodul der Ableiterklasse Type 1 / P1 BLITZDUCTOR XT,
geprüft nach EN 61643-21 und energetisch koordiniert nach IEC 61643-22 zum Schutz von 4 erdfreien Einzeladern mit gemeinsamem Bezugspotential. Mit integriertem LifeCheck für berührungslosen Ableiterprüfung
Einsteckbar in Basisteil BXT BAS / BSP BAS 4.
Höchste Dauerspannung DC: 6,0 V
Nennstrom bei 45 °C: 1,0 A
D1 Blitzstoßstrom (10/350 µs) gesamt: 10 kA
D1 Blitzstoßstrom (10/350 µs) pro Ader: 2,5 kA

Fabrikat: DEHN
Typ: BXT ML4 BC 5
Art.-Nr.: 920350
oder gleichwertig.

Zertifikate

 

Technische Daten

Ableiterklasse M
Höchste Dauerspannung DC (UC ) 6,0 V
Nennstrom bei 45 °C (IL ) 1,0 A
D1 Blitzstoßstrom (10/350 µs) gesamt (Iimp ) 10 kA
C2 Nennableitstoßstrom (8/20 µs) gesamt (In ) 20 kA
Serienimpedanz pro Ader 1,0 Ohm
Grenzfrequenz Ad-Ad (fG ) 1,0 MHz
Zulassungen CSA, ATEX, IECEx, CSA & USA Hazloc, SIL
*) Details siehe: www.dehn.de

Artikel 920350 wurde zum Merkzettel hinzugefügt.

Zum Merkzettel

Artikel 920350 wurde zum Warenkorb hinzugefügt.

Zum Warenkorb

Art.-Nr. 920354 BXT ML4 BC 24

GTIN 4013364109148, Zolltarifnr. (EU): 85363010, Bruttogewicht: 30.90 g, VPE: 1.00 Stk.


Abbildungen

Weitere Information

Kombi-Ableiter-Modul mit LifeCheck BLITZDUCTOR XT BXT ML4 BC 24
Kombi-Ableiter-Schutzmodul der
Ableiterklasse Type 1 / P1 BLITZDUCTOR XT,
geprüft nach EN 61643-21 und energetisch koordiniert nach IEC 61643-22 zum Schutz von 4 erdfreien Einzeladern mit gemeinsamem Bezugspotential. Mit integriertem LifeCheck für berührungalose Ableiterprüfung.
Einsteckbar in Basisteil BXT BAS / BSP BAS 4.
Höchste Dauerspannung DC: 33 V
Nennstrom bei 45 °C: 0,75 A
D1 Blitzstoßstrom (10/350 µs) gesamt: 10 kA
D1 Blitzstoßstrom (10/350 µs) pro Ader: 2,5 kA

Fabrikat: DEHN
Typ: BXT ML4 BC 24
Art.-Nr.: 920354
oder gleichwertig.

Zertifikate

 

Technische Daten

Ableiterklasse M
Höchste Dauerspannung DC (UC ) 33 V
Nennstrom bei 45 °C (IL ) 0,75 A
D1 Blitzstoßstrom (10/350 µs) gesamt (Iimp ) 10 kA
C2 Nennableitstoßstrom (8/20 µs) gesamt (In ) 20 kA
Serienimpedanz pro Ader 1,8 Ohm
Grenzfrequenz Ad-Ad (fG ) 5,7 MHz
Zulassungen CSA, ATEX, IECEx, CSA & USA Hazloc, SIL
*) Details siehe: www.dehn.de

Artikel 920354 wurde zum Merkzettel hinzugefügt.

Zum Merkzettel

Artikel 920354 wurde zum Warenkorb hinzugefügt.

Zum Warenkorb

BXT ML4 BE C 12 / 24

Platzsparendes Kombi-Ableiter-Modul mit RFID-LifeCheck zum Schutz von 2 Doppeladern symmetrischer Schnittstellen mit Eingangs-Diodenschutzbeschaltung, Stromschleifen (TTY) und Optokoppler-Eingängen. LifeCheck erkennt thermische oder elektrische Überlastzustände nach denen der Ableiter auszutauschen ist. Die Anzeige erfolgt berührungslos mittels DEHNrecord LC / SCM / MCM.

2 Produkte

Art.-Nr. 920362 BXT ML4 BE C 12

GTIN 4013364120587, Zolltarifnr. (EU): 85363010, Bruttogewicht: 31.20 g, VPE: 1.00 Stk.

Vorgänger

Abbildungen

Weitere Information

Kombi-Ableiter-Modul mit LifeCheck BLITZDUCTOR XT BXT ML4 BE C 12
Kombi-Ableiter-Schutzmodul der Ableiterklasse Type 1 / P1 BLITZDUCTOR XT, vierpolig,
geprüft nach EN 61643-21 und energetisch koordiniert nach IEC 61643-22
zum Schutz symmetrischer Schnittstellen mit Eingangs-Diodenschutzbeschaltung,
Stromschleifen und Optokoppler-Eingängen.
Mit integriertem LifeCheck für berührungslose Ableiterprüfung.
Einsteckbar in Basisteil BXT BAS / BSP BAS 4.
Höchste Dauerspannung DC: 15 V
Nennstrom bei 80 °C: 0,1 A
D1 Blitzstoßstrom (10/350 µs) gesamt: 10 kA
D1 Blitzstoßstrom (10/350 µs) pro Ader: 2,5 kA

Fabrikat: DEHN
Typ: BXT ML4 BE C 12
Art.-Nr.: 920362
oder gleichwertig.

Zertifikate

 

Technische Daten

Ableiterklasse M
Höchste Dauerspannung DC (UC ) 15 V
Nennstrom bei 80 °C (IL ) 0,1 A
D1 Blitzstoßstrom (10/350 µs) gesamt (Iimp ) 10 kA
C2 Nennableitstoßstrom (8/20 µs) gesamt (In ) 20 kA
Serienimpedanz pro Ader 13,8 Ohm
Grenzfrequenz Ad-PG (fG ) 0,85 MHz
Zulassungen ATEX, IECEx, CSA & USA Hazloc, SIL
*) Details siehe: www.dehn.de

Artikel 920362 wurde zum Merkzettel hinzugefügt.

Zum Merkzettel

Artikel 920362 wurde zum Warenkorb hinzugefügt.

Zum Warenkorb

Art.-Nr. 920364 BXT ML4 BE C 24

GTIN 4013364109155, Zolltarifnr. (EU): 85363010, Bruttogewicht: 31.70 g, VPE: 1.00 Stk.

Vorgänger

Abbildungen

Weitere Information

Kombi-Ableiter-Modul mit LifeCheck BLITZDUCTOR XT BXT ML4 BE C 24
Kombi-Ableiter-Schutzmodul der Ableiterklasse Type 1 / P1 BLITZDUCTOR XT, vierpolig,
geprüft nach EN 61643-21 und energetisch koordiniert nach IEC 61643-22
zum Schutz symmetrischer Schnittstellen mit Eingangs-Diodenschutzbeschaltung,
Stromschleifen und Optokoppler-Eingängen.
Mit integriertem LifeCheck für berührungslose Ableiterprüfung.
Einsteckbar in Basisteil BXT BAS / BSP BAS 4.
Höchste Dauerspannung DC: 33 V
Nennstrom bei 80 °C: 0,1 A
D1 Blitzstoßstrom (10/350 µs) gesamt: 10 kA
D1 Blitzstoßstrom (10/350 µs) pro Ader: 2,5 kA

Fabrikat: DEHN
Typ: BXT ML4 BE C 24
Art.-Nr.: 920364
oder gleichwertig.

Zertifikate

 

Technische Daten

Ableiterklasse M
Höchste Dauerspannung DC (UC ) 33 V
Nennstrom bei 80 °C (IL ) 0,1 A
D1 Blitzstoßstrom (10/350 µs) gesamt (Iimp ) 10 kA
C2 Nennableitstoßstrom (8/20 µs) gesamt (In ) 20 kA
Serienimpedanz pro Ader 28,8 Ohm
Grenzfrequenz Ad-PG (fG ) 1,7 MHz
Zulassungen CSA, ATEX, IECEx, CSA & USA Hazloc, SIL
*) Details siehe: www.dehn.de

Artikel 920364 wurde zum Merkzettel hinzugefügt.

Zum Merkzettel

Artikel 920364 wurde zum Warenkorb hinzugefügt.

Zum Warenkorb

BXT ML4 BE HF 5

Platzsparendes Kombi-Ableiter-Modul mit RFID-LifeCheck zum Schutz von 4 Einzeladern mit gemeinsamem Bezugspotential sowie hochfrequenter Übertragungen ohne galvanische Trennung. LifeCheck erkennt thermische oder elektrische Überlastzustände nach denen der Ableiter auszutauschen ist. Die Anzeige erfolgt berührungslos mittels DEHNrecord LC / SCM / MCM.

1 Produkt

Art.-Nr. 920370 BXT ML4 BE HF 5

GTIN 4013364109117, Zolltarifnr. (EU): 85363010, Bruttogewicht: 31.00 g, VPE: 1.00 Stk.

Vorgänger

Abbildungen

Weitere Information

Kombi-Ableiter-Modul mit LifeCheck BLITZDUCTOR XT BXT ML4 BE HF 5
Kombi-Ableiter-Schutzmodul der Ableiterklasse Type 1 / P1 BLITZDUCTOR XT,
geprüft nach EN 61643-21 und energetisch koordiniert nach IEC 61643-22,
zum Schutz zweier Doppeladern. Für hohe Datenraten geeignet.
Mit integriertem LifeCheck für berührungslose Ableiterprüfung.
Einsteckbar in Basisteil BXT BAS / BSP BAS 4.
Höchste Dauerspannung DC: 6,0 V
Nennstrom bei 45 °C: 1,0 A
D1 Blitzstoßstrom (10/350 µs) gesamt: 10 kA
D1 Blitzstoßstrom (10/350 µs) pro Ader: 2,5 kA

Fabrikat: DEHN
Typ: BXT ML4 BE HF 5
Art.-Nr.: 920370
oder gleichwertig.

Zertifikate

 

Technische Daten

Ableiterklasse M
Höchste Dauerspannung DC (UC ) 6,0 V
Nennstrom bei 45 °C (IL ) 1,0 A
D1 Blitzstoßstrom (10/350 µs) gesamt (Iimp ) 10 kA
C2 Nennableitstoßstrom (8/20 µs) gesamt (In ) 20 kA
Serienimpedanz pro Ader 1,0 Ohm
Grenzfrequenz Ad-PG (fG ) 100,0 MHz
Zulassungen CSA, UL 497B, ATEX, IECEx, CCC, CSA & USA Hazloc, SIL
*) Details siehe: www.dehn.de

Artikel 920370 wurde zum Merkzettel hinzugefügt.

Zum Merkzettel

Artikel 920370 wurde zum Warenkorb hinzugefügt.

Zum Warenkorb

BXT ML4 BD HF 5 / 24

Platzsparendes Kombi-Ableiter-Modul mit RFID-LifeCheck zum Schutz von 2 Doppeladern erdpotentialfreier hochfrequenter Bussysteme oder 2-Draht-Videoübertragungen. LifeCheck erkennt thermische oder elektrische Überlastzustände nach denen der Ableiter auszutauschen ist. Die Anzeige erfolgt berührungslos mittels DEHNrecord LC / SCM / MCM.

2 Produkte

Art.-Nr. 920371 BXT ML4 BD HF 5

GTIN 4013364109094, Zolltarifnr. (EU): 85363010, Bruttogewicht: 30.80 g, VPE: 1.00 Stk.

Vorgänger

Abbildungen

Weitere Information

Kombi-Ableiter-Modul mit LifeCheck BLITZDUCTOR XT BXT ML4 BD HF 5
Kombi-Ableiter-Schutzmodul der Ableiterklasse Type 1 / P1 BLITZDUCTOR XT,
geprüft nach EN 61643-21 und
energetisch koordiniert nach
IEC 61643-22 zum Schutz zweier
Doppeladern. Für hohe Datenraten geeignet.
Mit integriertem LifeCheck für berührungs-
lose Ableiterprüfung. Einsteckbar
in Basisteil BXT BAS / BSP BAS 4.
Höchste Dauerspannung DC: 6,0 V
Nennstrom bei 45 °C: 1,0 A
D1 Blitzstoßstrom (10/350 µs) gesamt: 10 kA
D1 Blitzstoßstrom (10/350 µs) pro Ader: 2,5 kA

Fabrikat: DEHN
Typ: BXT ML4 BD HF 5
Art.-Nr.: 920371
oder gleichwertig.

Zertifikate

 

Technische Daten

Ableiterklasse M
Höchste Dauerspannung DC (UC ) 6,0 V
Nennstrom bei 45 °C (IL ) 1,0 A
D1 Blitzstoßstrom (10/350 µs) gesamt (Iimp ) 10 kA
C2 Nennableitstoßstrom (8/20 µs) gesamt (In ) 20 kA
Serienimpedanz pro Ader 1,0 Ohm
Grenzfrequenz Ad-Ad (fG ) 100,0 MHz
Zulassungen CSA, UL 497B, ATEX, IECEx, CCC, CSA & USA Hazloc, SIL
*) Details siehe: www.dehn.de

Artikel 920371 wurde zum Merkzettel hinzugefügt.

Zum Merkzettel

Artikel 920371 wurde zum Warenkorb hinzugefügt.

Zum Warenkorb

Art.-Nr. 920375 BXT ML4 BD HF 24

GTIN 4013364109100, Zolltarifnr. (EU): 85363010, Bruttogewicht: 31.00 g, VPE: 1.00 Stk.

Vorgänger

Abbildungen

Weitere Information

Kombi-Ableiter-Modul mit LifeCheck BLITZDUCTOR XT BXT ML4 BD HF 24
Kombi-Ableiter-Schutzmodul der
Ableiterklasse Type 1 / P1 BLITZDUCTOR XT,
geprüft nach EN 61643-21 und
energetisch koordiniert nach
IEC 61643-22 zum Schutz zweier
Doppeladern. Für hohe Datenraten geeignet.
Mit integriertem LifeCheck für berührungslose Ableiterprüfung.
Einsteckbar in Basisteil BXT BAS / BSP BAS 4.
Höchste Dauerspannung DC: 33 V
Nennstrom bei 45 °C: 1,0 A
D1 Blitzstoßstrom (10/350 µs) gesamt: 10 kA
D1 Blitzstoßstrom (10/350 µs) pro Ader: 2,5 kA

Fabrikat: DEHN
Typ: BXT ML4 BD HF 24
Art.-Nr.: 920375
oder gleichwertig.

Zertifikate

 

Technische Daten

Ableiterklasse M
Höchste Dauerspannung DC (UC ) 33 V
Nennstrom bei 45 °C (IL ) 1,0 A
D1 Blitzstoßstrom (10/350 µs) gesamt (Iimp ) 10 kA
C2 Nennableitstoßstrom (8/20 µs) gesamt (In ) 20 kA
Serienimpedanz pro Ader 1,0 Ohm
Grenzfrequenz Ad-Ad (fG ) 100,0 MHz
Zulassungen CSA, UL 497B, ATEX, IECEx, CSA & USA Hazloc, SIL
*) Details siehe: www.dehn.de

Artikel 920375 wurde zum Merkzettel hinzugefügt.

Zum Merkzettel

Artikel 920375 wurde zum Warenkorb hinzugefügt.

Zum Warenkorb

BXT ML4 MY 110 / 250

Platzsparendes Überspannungs-Ableiter-Modul mit RFID-LifeCheck zum Schutz von 4 Adern mehradriger Signalschnittstellen. LifeCheck erkennt thermische oder elektrische Überlastzustände nach denen der Ableiter auszutauschen ist. Die Anzeige erfolgt berührungslos mittels DEHNrecord LC / SCM / MCM.

2 Produkte

Art.-Nr. 920388 BXT ML4 MY 110

GTIN 4013364137370, Zolltarifnr. (EU): 85363010, Bruttogewicht: 34.70 g, VPE: 1.00 Stk.


Abbildungen

Weitere Information

Kombi-Ableiter-Modul mit LifeCheck BLITZDUCTOR XT BXT ML4 MY 110
Überspannungs-Ableiter-Schutzmodul der
Ableiterklasse Type 2 / P2 BLITZDUCTOR XT,
geprüft nach EN 61643-21 und energetisch koordiniert
nach IEC 61643-22 zum Schutz von zwei symmetrischen
Schnittstellen mit galvanischer Trennung. Mit integriertem
LifeCheck für berührungslose Ableiterprüfung. Einsteckbar
in Basisteil BXT BAS / BSP BAS 4.
Nennstrom bei 80 °C: 3,0 A

Fabrikat: DEHN
Typ: BXT ML4 MY 110
Art.-Nr.: 920388
oder gleichwertig.

Zertifikate

 

Technische Daten

Ableiterklasse U
Höchste Dauerspannung DC Ader-Ader (UC ) 170 V
Höchste Dauerspannung DC Ader-PG (UC ) 85 V
Nennstrom bei 80 °C (IL ) 3,0 A
C2 Nennableitstoßstrom (8/20 µs) gesamt (In ) 10 kA
Grenzfrequenz Ad-Ad (fG ) 4,5 MHz
Zulassungen SIL
*) Details siehe: www.dehn.de

Artikel 920388 wurde zum Merkzettel hinzugefügt.

Zum Merkzettel

Artikel 920388 wurde zum Warenkorb hinzugefügt.

Zum Warenkorb

Art.-Nr. 920389 BXT ML4 MY 250

GTIN 4013364118447, Zolltarifnr. (EU): 85363010, Bruttogewicht: 36.70 g, VPE: 1.00 Stk.

Vorgänger

Abbildungen

Weitere Information

Kombi-Ableiter-Modul mit LifeCheck BLITZDUCTOR XT BXT ML4 MY 250
Überspannungs-Ableiter-Schutzmodul der Ableiterklasse Type 2 / P3 BLITZDUCTOR XT,
geprüft nach EN 61643-21 und energetisch koordiniert nach IEC 61643-22
zum Schutz von zwei symmetrischen Schnittstellen mit galvanischer Trennung.
Mit integriertem LifeCheck berührungslose Ableiterprüfung.
Einsteckbar in Basisteil BXT BAS / BSP BAS 4.
Nennstrom bei 80 °C: 3,0 A

Fabrikat: DEHN
Typ: BXT ML4 MY 250
Art.-Nr.: 920389
oder gleichwertig.

Zertifikate

 

Technische Daten

Ableiterklasse V
Höchste Dauerspannung DC Ader-Ader (UC ) 620 V
Höchste Dauerspannung DC Ader-PG (UC ) 320 V
Nennstrom bei 80 °C (IL ) 3,0 A
C2 Nennableitstoßstrom (8/20 µs) gesamt (In ) 10 kA
Grenzfrequenz Ad-Ad (fG ) 20,0 MHz
Zulassungen SIL
*) Details siehe: www.dehn.de

Artikel 920389 wurde zum Merkzettel hinzugefügt.

Zum Merkzettel

Artikel 920389 wurde zum Warenkorb hinzugefügt.

Zum Warenkorb

BXT ML4 BE BD 24

Platzsparendes Kombi-Ableiter-Modul mit RFID-LifeCheck zum Schutz von 2 Einzeladern mit gemeinsamem Bezugspotential sowie unsymmetrischer Schnittstellen und 1 Doppelader erdpotentialfreier symmetrischer Schnittstellen. LifeCheck erkennt thermische oder elektrische Überlastzustände nach denen der Ableiter auszutauschen ist. Die Anzeige erfolgt berührungslos mittels DEHNrecord LC / MCM.

1 Produkt

Art.-Nr. 920334 BXT ML4 BE BD 24

GTIN 4013364152229, Zolltarifnr. (EU): 85363010, Bruttogewicht: 29.59 g, VPE: 1.00 Stk.


Abbildungen

Weitere Information

Kombi-Ableiter-Modul mit LifeCheck BLITZDUCTOR XT BXT ML4 BE BD 24
Überspannungs-Ableiter-Schutzmodul der
Ableiterklasse Type 1 / P1 BLITZDUCTOR XT,
geprüft nach EN 61643-21 und energetisch koordiniert
nach IEC 61643-22 zum Schutz von zwei Einzeladern
mit gemeinsamen Bezugspotential sowie unsymmetrischer
Schnittstellen und einer Doppelader erdpotentialfreier
symetrischer Schnitstellen. Mit integriertem
LifeCheck für berührungslose Ableiterprüfung. Einsteckbar
in Basisteil BXT BAS / BSP BAS 4.
Höchste Dauerspannung DC: 33 V
Nennstrom bei 45 °C: 0,75 A
D1 Blitzstoßstrom (10/350 µs) gesamt: 10 kA
D1 Blitzstoßstrom (10/350 µs) pro Ader: 2,5 kA

Fabrikat: DEHN
Typ: BXT ML4 BE BD 24
Art.-Nr.: 920334
oder gleichwertig.

Zertifikate

 

Technische Daten

Ableiterklasse M
Höchste Dauerspannung DC (UC ) 33 V
Nennstrom bei 45 °C (IL ) 0,75 A
D1 Blitzstoßstrom (10/350 µs) gesamt (Iimp ) 10 kA
C2 Nennableitstoßstrom (8/20 µs) gesamt (In ) 20 kA

Artikel 920334 wurde zum Merkzettel hinzugefügt.

Zum Merkzettel

Artikel 920334 wurde zum Warenkorb hinzugefügt.

Zum Warenkorb

BXT ML2 BD 180

Platzsparendes Kombi-Ableiter-Modul mit RFID-LifeCheck zum Schutz von 1 Doppelader erdpotentialfreier symmetrischer Schnittstellen. LifeCheck erkennt thermische oder elektrische Überlastzustände nach denen der Ableiter auszutauschen ist. Die Anzeige erfolgt berührungslos mittels DEHNrecord LC / SCM / MCM.

1 Produkt

Art.-Nr. 920247 BXT ML2 BD 180

GTIN 4013364116078, Zolltarifnr. (EU): 85363010, Bruttogewicht: 49.60 g, VPE: 1.00 Stk.

Vorgänger

Abbildungen

Weitere Information

Kombi-Ableiter-Modul mit LifeCheck BLITZDUCTOR XT BXT ML2 BD 180
Kombi-Ableiter-Schutzmodul der Ableiterklasse Type 1 / P2 BLITZDUCTOR XT,
geprüft nach EN 61643-21 und energetisch koordiniert
nach IEC 61643-22 zum Schutz einer Doppeladern.
Mit integriertem LifeCheck für berührungslose Ableiterprüfung.
Einsteckbar in Basisteil BXT BAS / BSP BAS 4.
Höchste Dauerspannung DC: 180 V
Nennstrom bei 45 °C: 0,75 A
D1 Blitzstoßstrom (10/350 µs) gesamt: 5 kA
D1 Blitzstoßstrom (10/350 µs) pro Ader: 2,5 kA

Fabrikat: DEHN
Typ: BXT ML2 BD 180
Art.-Nr.: 920247
oder gleichwertig.

Zertifikate

 

Technische Daten

Ableiterklasse L
Höchste Dauerspannung DC (UC ) 180 V
Nennstrom bei 45 °C (IL ) 0,75 A
D1 Blitzstoßstrom (10/350 µs) gesamt (Iimp ) 5 kA
C2 Nennableitstoßstrom (8/20 µs) gesamt (In ) 20 kA
Serienimpedanz pro Ader 1,8 Ohm
Grenzfrequenz Ad-Ad (fG ) 25,0 MHz
Zulassungen CSA, ATEX, IECEx, CSA & USA Hazloc, SIL
*) Details siehe: www.dehn.de

Artikel 920247 wurde zum Merkzettel hinzugefügt.

Zum Merkzettel

Artikel 920247 wurde zum Warenkorb hinzugefügt.

Zum Warenkorb

BXT ML2 BD S 5 – BD S 48

Platzsparendes Kombi-Ableiter-Modul mit RFID-LifeCheck zum Schutz von 1 Doppelader erdpotentialfreier symmetrischer Schnittstellen, wahlweise direkte oder indirekte Schirmerdung. LifeCheck erkennt thermische oder elektrische Überlastzustände nach denen der Ableiter auszutauschen ist. Die Anzeige erfolgt berührungslos mittels DEHNrecord LC / SCM / MCM.

4 Produkte

Art.-Nr. 920240 BXT ML2 BD S 5

GTIN 4013364118348, Zolltarifnr. (EU): 85363010, Bruttogewicht: 27.50 g, VPE: 1.00 Stk.

Vorgänger

Abbildungen

Weitere Information

Kombi-Ableiter-Modul mit LifeCheck BLITZDUCTOR XT BXT ML2 BD S 5
Kombi-Ableiter-Schutzmodul der Ableiterklasse Type 1 / P1, BLITZDUCTOR XT,
geprüft nach EN 61643-21 undenergetisch koordiniert nach IEC 61643-22
zum Schutz einer Doppelader, wahlweise indirekte oder direkte Schirmerdung.
Mit integriertem LifeCheck für berührungslose Ableiterprüfung.
Einsteckbar in Basisteil BXT BAS / BSP BAS 4.
Höchste Dauerspannung DC: 6,0 V
Nennstrom bei 45 °C: 1,0 A
D1 Blitzstoßstrom (10/350 µs) gesamt: 9 kA
D1 Blitzstoßstrom (10/350 µs) pro Ader: 2,5 kA

Fabrikat: DEHN
Typ: BXT ML2 BD S 5
Art.-Nr.: 920240
oder gleichwertig.

Zertifikate

 

Technische Daten

Ableiterklasse M
Höchste Dauerspannung DC (UC ) 6,0 V
Nennstrom bei 45 °C (IL ) 1,0 A
D1 Blitzstoßstrom (10/350 µs) gesamt (Iimp ) 9 kA
C2 Nennableitstoßstrom (8/20 µs) gesamt (In ) 20 kA
Serienimpedanz pro Ader 1,0 Ohm
Grenzfrequenz Ad-Ad (fG ) 1,0 MHz
Zulassungen CSA, ATEX, IECEx, CSA & USA Hazloc, SIL
*) Details siehe: www.dehn.de

Artikel 920240 wurde zum Merkzettel hinzugefügt.

Zum Merkzettel

Artikel 920240 wurde zum Warenkorb hinzugefügt.

Zum Warenkorb

Art.-Nr. 920242 BXT ML2 BD S 12

GTIN 4013364118362, Zolltarifnr. (EU): 85363010, Bruttogewicht: 27.60 g, VPE: 1.00 Stk.

Vorgänger

Abbildungen

Weitere Information

Kombi-Ableiter-Modul mit LifeCheck BLITZDUCTOR XT BXT ML2 BD S 12
Kombi-Ableiter-Schutzmodul derAbleiterklasse Type 1 / P1, BLITZDUCTOR XT,
geprüft nach EN 61643-21 undenergetisch koordiniert nach IEC 61643-22
zum Schutz einer Doppelader, wahlweise indirekte oder direkte Schirmerdung.
Mit integriertem LifeCheck für berührungslose Ableiterprüfung.
Einsteckbar in Basisteil BXT BAS / BSP BAS 4.
Höchste Dauerspannung DC: 15 V
Nennstrom bei 45 °C: 1,0 A
D1 Blitzstoßstrom (10/350 µs) gesamt: 9 kA
D1 Blitzstoßstrom (10/350 µs) pro Ader: 2,5 kA

Fabrikat: DEHN
Typ: BXT ML2 BD S 12
Art.-Nr.: 920242
oder gleichwertig.

Zertifikate

 

Technische Daten

Ableiterklasse M
Höchste Dauerspannung DC (UC ) 15 V
Nennstrom bei 45 °C (IL ) 1,0 A
D1 Blitzstoßstrom (10/350 µs) gesamt (Iimp ) 9 kA
C2 Nennableitstoßstrom (8/20 µs) gesamt (In ) 20 kA
Serienimpedanz pro Ader 1,0 Ohm
Grenzfrequenz Ad-Ad (fG ) 2,8 MHz
Zulassungen CSA, ATEX, IECEx, CSA & USA Hazloc, SIL
*) Details siehe: www.dehn.de

Artikel 920242 wurde zum Merkzettel hinzugefügt.

Zum Merkzettel

Artikel 920242 wurde zum Warenkorb hinzugefügt.

Zum Warenkorb

Art.-Nr. 920244 BXT ML2 BD S 24

GTIN 4013364117792, Zolltarifnr. (EU): 85363010, Bruttogewicht: 27.80 g, VPE: 1.00 Stk.

Vorgänger

Abbildungen

Weitere Information

Kombi-Ableiter-Modul mit LifeCheck BLITZDUCTOR XT BXT ML2 BD S 24
Kombi-Ableiter-Schutzmodul der Ableiterklasse Type 1 / P1, BLITZDUCTOR XT,
geprüft nach EN 61643-21 und energetisch koordiniert nach IEC 61643-22
zum Schutz einer Doppelader, wahlweise indirekte oder direkte Schirmerdung.
Mit integriertem LifeCheck für berührungslose Ableiterprüfung.
Einsteckbar in Basisteil BXT BAS / BSP BAS 4.
Höchste Dauerspannung DC: 33 V
Nennstrom bei 45 °C: 1,0 A
D1 Blitzstoßstrom (10/350 µs) gesamt: 9 kA
D1 Blitzstoßstrom (10/350 µs) pro Ader: 2,5 kA

Fabrikat: DEHN
Typ: BXT ML2 BD S 24
Art.-Nr.: 920244
oder gleichwertig.

Zertifikate

 

Technische Daten

Ableiterklasse M
Höchste Dauerspannung DC (UC ) 33 V
Nennstrom bei 45 °C (IL ) 1,0 A
D1 Blitzstoßstrom (10/350 µs) gesamt (Iimp ) 9 kA
C2 Nennableitstoßstrom (8/20 µs) gesamt (In ) 20 kA
Serienimpedanz pro Ader 1,0 Ohm
Grenzfrequenz Ad-Ad (fG ) 7,8 MHz
Zulassungen CSA, ATEX, IECEx, CCC, CSA & USA Hazloc, SIL
*) Details siehe: www.dehn.de

Artikel 920244 wurde zum Merkzettel hinzugefügt.

Zum Merkzettel

Artikel 920244 wurde zum Warenkorb hinzugefügt.

Zum Warenkorb

Art.-Nr. 920245 BXT ML2 BD S 48

GTIN 4013364118386, Zolltarifnr. (EU): 85363010, Bruttogewicht: 43.20 g, VPE: 1.00 Stk.

Vorgänger

Abbildungen

Weitere Information

Kombi-Ableiter-Modul mit LifeCheck BLITZDUCTOR XT BXT ML2 BD S 48
Kombi-Ableiter-Schutzmodul der Ableiterklasse Type 1 / P1, BLITZDUCTOR XT,
geprüft nach EN 61643-21 und energetisch koordiniert nach IEC 61643-22
zum Schutz einer Doppelader, wahlweise indirekte oder direkte Schirmerdung.
Mit integriertem LifeCheck für berührungslose Ableiterprüfung.
Einsteckbar in Basisteil BXT BAS / BSP BAS 4.
Höchste Dauerspannung DC: 54 V
Nennstrom bei 45 °C: 1,0 A
D1 Blitzstoßstrom (10/350 µs) gesamt: 9 kA
D1 Blitzstoßstrom (10/350 µs) pro Ader: 2,5 kA

Fabrikat: DEHN
Typ: BXT ML2 BD S 48
Art.-Nr.: 920245
oder gleichwertig.

Zertifikate

 

Technische Daten

Ableiterklasse M
Höchste Dauerspannung DC (UC ) 54 V
Nennstrom bei 45 °C (IL ) 1,0 A
D1 Blitzstoßstrom (10/350 µs) gesamt (Iimp ) 9 kA
C2 Nennableitstoßstrom (8/20 µs) gesamt (In ) 20 kA
Serienimpedanz pro Ader 1,0 Ohm
Grenzfrequenz Ad-Ad (fG ) 8,7 MHz
Zulassungen CSA, ATEX, IECEx, CSA & USA Hazloc, SIL
*) Details siehe: www.dehn.de

Artikel 920245 wurde zum Merkzettel hinzugefügt.

Zum Merkzettel

Artikel 920245 wurde zum Warenkorb hinzugefügt.

Zum Warenkorb

BXT ML2 BE S 5 – BE S 48

Platzsparendes Kombi-Ableiter-Modul mit RFID-LifeCheck zum Schutz von 2 Einzeladern mit gemeinsamem Bezugspotential sowie unsymmetrischer Schnittstellen, wahlweise direkte oder indirekte Schirmerdung. LifeCheck erkennt thermische oder elektrische Überlastzustände nach denen der Ableiter auszutauschen ist. Die Anzeige erfolgt berührungslos mittels DEHNrecord LC / SCM / MCM.

5 Produkte

Art.-Nr. 920220 BXT ML2 BE S 5

GTIN 4013364118331, Zolltarifnr. (EU): 85363010, Bruttogewicht: 43.40 g, VPE: 1.00 Stk.

Vorgänger

Abbildungen

Weitere Information

Kombi-Ableiter-Modul mit LifeCheck BLITZDUCTOR XT BXT ML2 BE S 5
Kombi-Ableiter-Schutzmodul der Ableiterklasse Type 1 / P1, BLITZDUCTOR XT,
geprüft nach EN 61643-21 und energetisch koordiniert nach IEC 61643-22
zum Schutz von 2 Einzeladern, wahlweise indirekte oder direkte Schirmerdung.
Mit integriertem LifeCheck für berührungslose Ableiterprüfung.
Einsteckbar in Basisteil BXT BAS / BSP BAS 4.
Höchste Dauerspannung DC: 6,0 V
Nennstrom bei 45 °C: 1,0 A
D1 Blitzstoßstrom (10/350 µs) gesamt: 9 kA
D1 Blitzstoßstrom (10/350 µs) pro Ader: 2,5 kA

Fabrikat: DEHN
Typ: BXT ML2 BE S 5
Art.-Nr.: 920220
oder gleichwertig.

Zertifikate

 

Technische Daten

Ableiterklasse M
Höchste Dauerspannung DC (UC ) 6,0 V
Nennstrom bei 45 °C (IL ) 1,0 A
D1 Blitzstoßstrom (10/350 µs) gesamt (Iimp ) 9 kA
C2 Nennableitstoßstrom (8/20 µs) gesamt (In ) 20 kA
Serienimpedanz pro Ader 1,0 Ohm
Grenzfrequenz Ad-PG (fG ) 1,0 MHz
Zulassungen CSA, ATEX, IECEx, CSA & USA Hazloc, SIL
*) Details siehe: www.dehn.de

Artikel 920220 wurde zum Merkzettel hinzugefügt.

Zum Merkzettel

Artikel 920220 wurde zum Warenkorb hinzugefügt.

Zum Warenkorb

Art.-Nr. 920222 BXT ML2 BE S 12

GTIN 4013364118355, Zolltarifnr. (EU): 85363010, Bruttogewicht: 27.90 g, VPE: 1.00 Stk.

Vorgänger

Abbildungen

Weitere Information

Kombi-Ableiter-Modul mit LifeCheck BLITZDUCTOR XT BXT ML2 BE S 12
Kombi-Ableiter-Schutzmodul der Ableiterklasse Type 1 / P1, BLITZDUCTOR XT,
geprüft nach EN 61643-21 und energetisch koordiniert nach IEC 61643-22
zum Schutz von 2 Einzeladern, wahlweise indirekte oder direkte Schirmerdung.
Mit integriertem LifeCheck für berührungslose Ableiterprüfung.
Einsteckbar in Basisteil BXT BAS / BSP BAS 4.
Höchste Dauerspannung DC: 15 V
Nennstrom bei 45 °C: 0,75 A
D1 Blitzstoßstrom (10/350 µs) gesamt: 9 kA
D1 Blitzstoßstrom (10/350 µs) pro Ader: 2,5 kA

Fabrikat: DEHN
Typ: BXT ML2 BE S 12
Art.-Nr.: 920222
oder gleichwertig.

Zertifikate

 

Technische Daten

Ableiterklasse M
Höchste Dauerspannung DC (UC ) 15 V
Nennstrom bei 45 °C (IL ) 0,75 A
D1 Blitzstoßstrom (10/350 µs) gesamt (Iimp ) 9 kA
C2 Nennableitstoßstrom (8/20 µs) gesamt (In ) 20 kA
Serienimpedanz pro Ader 1,8 Ohm
Grenzfrequenz Ad-PG (fG ) 2,7 MHz
Zulassungen CSA, ATEX, IECEx, CCC, CSA & USA Hazloc, SIL
*) Details siehe: www.dehn.de

Artikel 920222 wurde zum Merkzettel hinzugefügt.

Zum Merkzettel

Artikel 920222 wurde zum Warenkorb hinzugefügt.

Zum Warenkorb

Art.-Nr. 920224 BXT ML2 BE S 24

GTIN 4013364117785, Zolltarifnr. (EU): 85363010, Bruttogewicht: 44.00 g, VPE: 1.00 Stk.

Vorgänger

Abbildungen

Weitere Information

Kombi-Ableiter-Modul mit LifeCheck BLITZDUCTOR XT BXT ML2 BE S 24
Kombi-Ableiter-Schutzmodul der Ableiterklasse Type 1 / P1, BLITZDUCTOR XT,
geprüft nach EN 61643-21 und energetisch koordiniert nach IEC 61643-22
zum Schutz von 2 Einzeladern, wahlweise indirekte oder direkte Schirmerdung.
Mit integriertem LifeCheck für berührungslose Ableiterprüfung.
Einsteckbar in Basisteil BXT BAS / BSP BAS 4.
Höchste Dauerspannung DC: 33 V
Nennstrom bei 45 °C: 0,75 A
D1 Blitzstoßstrom (10/350 µs) gesamt: 9 kA
D1 Blitzstoßstrom (10/350 µs) pro Ader: 2,5 kA

Fabrikat: DEHN
Typ: BXT ML2 BE S 24
Art.-Nr.: 920224
oder gleichwertig.

Zertifikate

 

Technische Daten

Ableiterklasse M
Höchste Dauerspannung DC (UC ) 33 V
Nennstrom bei 45 °C (IL ) 0,75 A
D1 Blitzstoßstrom (10/350 µs) gesamt (Iimp ) 9 kA
C2 Nennableitstoßstrom (8/20 µs) gesamt (In ) 20 kA
Serienimpedanz pro Ader 1,8 Ohm
Grenzfrequenz Ad-PG (fG ) 6,8 MHz
Zulassungen CSA, ATEX, IECEx, CCC, CSA & USA Hazloc, SIL
*) Details siehe: www.dehn.de

Artikel 920224 wurde zum Merkzettel hinzugefügt.

Zum Merkzettel

Artikel 920224 wurde zum Warenkorb hinzugefügt.

Zum Warenkorb

Art.-Nr. 920226 BXT ML2 BE S 36

GTIN 4013364142121, Zolltarifnr. (EU): 85363010, Bruttogewicht: 30.10 g, VPE: 1.00 Stk.


Abbildungen

Weitere Information

Kombi-Ableiter-Modul mit LifeCheck BLITZDUCTOR XT BXT ML2 BE S 36
Kombi-Ableiter-Schutzmodul der Ableiterklasse Type 1 / P1, BLITZDUCTOR XT,
geprüft nach EN 61643-21 und energetisch koordiniert nach IEC 61643-22
zum Schutz von 2 Einzeladern, wahlweise indirekte oder direkte Schirmerdung.
Mit integriertem LifeCheck für berührungslose Ableiterprüfung.
Einsteckbar in Basisteil BXT BAS / BSP BAS 4.
Höchste Dauerspannung DC: 45 V
Nennstrom bei 45 °C: 1,8 A
D1 Blitzstoßstrom (10/350 µs) gesamt: 9 kA
D1 Blitzstoßstrom (10/350 µs) pro Ader: 2,5 kA

Fabrikat: DEHN
Typ: BXT ML2 BE S 36
Art.-Nr.: 920226
oder gleichwertig.

Zertifikate

 

Technische Daten

Ableiterklasse M
Höchste Dauerspannung DC (UC ) 45 V
Nennstrom bei 45 °C (IL ) 1,8 A
D1 Blitzstoßstrom (10/350 µs) gesamt (Iimp ) 9 kA
C2 Nennableitstoßstrom (8/20 µs) gesamt (In ) 20 kA
Serienimpedanz pro Ader 0,43 Ohm
Grenzfrequenz Ad-PG (fG ) 3,8 MHz
Zulassungen UL 497B, SIL
*) Details siehe: www.dehn.de

Artikel 920226 wurde zum Merkzettel hinzugefügt.

Zum Merkzettel

Artikel 920226 wurde zum Warenkorb hinzugefügt.

Zum Warenkorb

Art.-Nr. 920225 BXT ML2 BE S 48

GTIN 4013364118379, Zolltarifnr. (EU): 85363010, Bruttogewicht: 27.60 g, VPE: 1.00 Stk.

Vorgänger

Abbildungen

Weitere Information

Kombi-Ableiter-Modul mit LifeCheck BLITZDUCTOR XT BXT ML2 BE S 48
Kombi-Ableiter-Schutzmodul der Ableiterklasse Type 1 / P1, BLITZDUCTOR XT,
geprüft nach EN 61643-21 und energetisch koordiniert nach IEC 61643-22
zum Schutz von 2 Einzeladern, wahlweise indirekte oder direkte Schirmerdung.
Mit integriertem LifeCheck für berührungslose Ableiterprüfung.
Einsteckbar in Basisteil BXT BAS / BSP BAS 4.
Höchste Dauerspannung DC: 54 V
Nennstrom bei 45 °C: 0,75 A
D1 Blitzstoßstrom (10/350 µs) gesamt: 9 kA
D1 Blitzstoßstrom (10/350 µs) pro Ader: 2,5 kA

Fabrikat: DEHN
Typ: BXT ML2 BE S 48
Art.-Nr.: 920225
oder gleichwertig.

Zertifikate

 

Technische Daten

Ableiterklasse M
Höchste Dauerspannung DC (UC ) 54 V
Nennstrom bei 45 °C (IL ) 0,75 A
D1 Blitzstoßstrom (10/350 µs) gesamt (Iimp ) 9 kA
C2 Nennableitstoßstrom (8/20 µs) gesamt (In ) 20 kA
Serienimpedanz pro Ader 1,8 Ohm
Grenzfrequenz Ad-PG (fG ) 8,7 MHz
Zulassungen CSA, UL 497B, ATEX, IECEx, CSA & USA Hazloc, SIL
*) Details siehe: www.dehn.de

Artikel 920225 wurde zum Merkzettel hinzugefügt.

Zum Merkzettel

Artikel 920225 wurde zum Warenkorb hinzugefügt.

Zum Warenkorb

BXT ML2 BE HFS 5

Platzsparendes Kombi-Ableiter-Modul mit RFID-LifeCheck zum Schutz von 1 Doppelader hochfrequenter Übertragungen ohne galvanische Trennung, wahlweise direkte oder indirekte Schirmerdung. LifeCheck erkennt thermische oder elektrische Überlastzustände nach denen der Ableiter auszutauschen ist. Die Anzeige erfolgt berührungslos mittels DEHNrecord LC / SCM / MCM.

1 Produkt

Art.-Nr. 920270 BXT ML2 BE HFS 5

GTIN 4013364117549, Zolltarifnr. (EU): 85363010, Bruttogewicht: 28.60 g, VPE: 1.00 Stk.

Vorgänger

Abbildungen

Weitere Information

Kombi-Ableiter-Modul mit LifeCheck BLITZDUCTOR XT BXT ML2 BE HFS 5
Kombi-Ableiter-Schutzmodul der Ableiterklasse Type 1 / P1, BLITZDUCTOR XT,
geprüft nach EN 61643-21 und energetisch koordiniert nach IEC 61643-22
zum Schutz von 2 Einzeladern, wahlweise indirekte oder direkte Schirmerdung.
Mit integriertem LifeCheck für berührungslose Ableiterprüfung.
Einsteckbar in Basisteil BXT BAS / BSP BAS 4.
Höchste Dauerspannung DC: 6,0 V
Nennstrom bei 45 °C: 1,0 A
D1 Blitzstoßstrom (10/350 µs) gesamt: 9 kA
D1 Blitzstoßstrom (10/350 µs) pro Ader: 2,5 kA

Fabrikat: DEHN
Typ: BXT ML2 BE HFS 5
Art.-Nr.: 920270
oder gleichwertig.

Zertifikate

 

Technische Daten

Ableiterklasse M
Höchste Dauerspannung DC (UC ) 6,0 V
Nennstrom bei 45 °C (IL ) 1,0 A
D1 Blitzstoßstrom (10/350 µs) gesamt (Iimp ) 9 kA
C2 Nennableitstoßstrom (8/20 µs) gesamt (In ) 20 kA
Serienimpedanz pro Ader 1,0 Ohm
Grenzfrequenz Ad-PG (fG ) 100,0 MHz
Zulassungen CSA, UL 497B, ATEX, IECEx, CCC, CSA & USA Hazloc, SIL
*) Details siehe: www.dehn.de

Artikel 920270 wurde zum Merkzettel hinzugefügt.

Zum Merkzettel

Artikel 920270 wurde zum Warenkorb hinzugefügt.

Zum Warenkorb

BXT ML2 BD HFS 5

Platzsparendes Kombi-Ableiter-Modul mit RFID-LifeCheck zum Schutz von 1 Doppelader erdpotentialfreier hochfrequenter Bussysteme oder Videoübertragungen, wahlweise direkte oder indirekte Schirmerdung. LifeCheck erkennt thermische oder elektrische Überlastzustände nach denen der Ableiter auszutauschen ist. Die Anzeige erfolgt berührungslos mittels DEHNrecord LC / SCM / MCM.

1 Produkt

Art.-Nr. 920271 BXT ML2 BD HFS 5

GTIN 4013364117556, Zolltarifnr. (EU): 85363010, Bruttogewicht: 28.60 g, VPE: 1.00 Stk.

Vorgänger

Abbildungen

Weitere Information

Kombi-Ableiter-Modul mit LifeCheck BLITZDUCTOR XT BXT ML2 BD HFS 5
Kombi-Ableiter-Schutzmodul der Ableiterklasse Type 1 / P1, BLITZDUCTOR XT,
geprüft nach EN 61643-21 und energetisch koordiniert nach IEC 61643-22
zum Schutz einer Doppelader.
Für hohe Datenraten geeignet, wahlweise indirekte oder direkte Schirmerdung.
Mit integriertem LifeCheck für berührunglose Ableiterprüfung.
Einsteckbar in Basisteil BXT BAS / BSP BAS 4.
Höchste Dauerspannung DC: 6,0 V
Nennstrom bei 45 °C: 1,0 A
D1 Blitzstoßstrom (10/350 µs) gesamt: 9 kA
D1 Blitzstoßstrom (10/350 µs) pro Ader: 2,5 kA

Fabrikat: DEHN
Typ: BXT ML2 BD HFS 5
Art.-Nr.: 920271
oder gleichwertig.

Zertifikate

 

Technische Daten

Ableiterklasse M
Höchste Dauerspannung DC (UC ) 6,0 V
Nennstrom bei 45 °C (IL ) 1,0 A
D1 Blitzstoßstrom (10/350 µs) gesamt (Iimp ) 9 kA
C2 Nennableitstoßstrom (8/20 µs) gesamt (In ) 20 kA
Serienimpedanz pro Ader 1,0 Ohm
Grenzfrequenz Ad-Ad (fG ) 100,0 MHz
Zulassungen CSA, UL 497B, ATEX, IECEx, CCC, CSA & USA Hazloc, SIL
*) Details siehe: www.dehn.de

Artikel 920271 wurde zum Merkzettel hinzugefügt.

Zum Merkzettel

Artikel 920271 wurde zum Warenkorb hinzugefügt.

Zum Warenkorb

BXT ML2 B 180

Platzsparendes zweipoliges Blitzstrom-Ableiter-Modul mit RFID-LifeCheck und Schirmerdung für nahezu alle Anwendungen. Einsetzbar in Verbindung mit nachgeordnetem Überspannungs-Ableiter Q oder Kombi-Ableiter niedrigerer oder gleicher Spannungsebene. LifeCheck erkennt thermische oder elektrische Überlastzustände nach denen der Ableiter auszutauschen ist. Die Anzeige erfolgt berührungslos mittels DEHNrecord LC / SCM / MCM.

1 Produkt

Art.-Nr. 920211 BXT ML2 B 180

GTIN 4013364120570, Zolltarifnr. (EU): 85363010, Bruttogewicht: 30.40 g, VPE: 1.00 Stk.

Vorgänger

Abbildungen

Weitere Information

Blitzstrom-Ableiter-Modul mit Life Check BLITZDUCTOR XT BXT ML2 B 180
Blitzstrom-Ableiter-Schutzmodul der Ableiterklasse Type 1, BLITZDUCTOR XT,
geprüft nach EN 61643-21 und energetisch koordiniert nach IEC 61643-22
zum Schutz von 2 Einzeladern. Mit integriertem LifeCheck für berührunglose Ableiterprüfung.
Einsteckbar in Basisteil BXT BAS / BSP BAS 4.
Höchste Dauerspannung DC: 180 V
Nennstrom bei 45 °C: 1,2 A
D1 Blitzstoßstrom (10/350 µs) gesamt: 10 kA
D1 Blitzstoßstrom (10/350 µs) pro Ader: 2,5 kA

Fabrikat: DEHN
Typ: BXT ML2 B 180
Art.-Nr.: 920211
oder gleichwertig.

Zertifikate

 

Technische Daten

Ableiterklasse H
Höchste Dauerspannung DC (UC ) 180 V
Nennstrom bei 45 °C (IL ) 1,2 A
D1 Blitzstoßstrom (10/350 µs) gesamt (Iimp ) 10 kA
C2 Nennableitstoßstrom (8/20 µs) gesamt (In ) 20 kA
Serienimpedanz pro Ader 0,4 Ohm
Zulassungen CSA, ATEX, IECEx, CSA & USA Hazloc, SIL
*) Details siehe: www.dehn.de

Artikel 920211 wurde zum Merkzettel hinzugefügt.

Zum Merkzettel

Artikel 920211 wurde zum Warenkorb hinzugefügt.

Zum Warenkorb

BXT ML2 BD DL S 15

Platzsparendes Kombi-Ableiter-Modul mit RFID-LifeCheck zum Schutz von 1 Doppelader erdpotentialfreier symmetrischer Schnittstellen, speziell koordiniert auf die Anforderungen des Dupline-Bus, wahlweise direkte oder indirekte Schirmerdung. LifeCheck erkennt thermische oder elektrische Überlastzustände nach denen der Ableiter auszutauschen ist. Die Anzeige erfolgt berührungslos mittels DEHNrecord LC / SCM / MCM.

1 Produkt

Art.-Nr. 920243 BXT ML2 BD DL S 15

GTIN 4013364126732, Zolltarifnr. (EU): 85363010, Bruttogewicht: 28.30 g, VPE: 1.00 Stk.


Abbildungen

Weitere Information

Kombi-Ableiter-Modul mit LifeCheck BLITZDUCTOR XT BXT ML2 BD DL S 15
Kombi-Ableiter-Schutzmodul der Ableiterklasse
Type 1 / P1 geprüft nach EN 61643-21 und energetisch koordiniert nach IEC 61643-22
zum Schutz einer Doppelader symmetrischer Schnittstellen, speziell auf
Dupline-Bus abgestimmt; wahlweise indirekte oder direkte Schirmerdung.
Mit integriertem LifeCheck für berührungslose Ableiterprüfung.
Einsteckbar in Basisteil BXT BAS / BSP BAS 4.
Höchste Dauerspannung DC: 17 V
Nennstrom bei 70 °C: 0,4 A
D1 Blitzstoßstrom (10/350 µs) gesamt: 9 kA
D1 Blitzstoßstrom (10/350 µs) pro Ader: 2,5 kA

Fabrikat: DEHN
Typ: BXT ML2 BD DL S 15
Art.-Nr.: 920243
oder gleichwertig.

Zertifikate

 

Technische Daten

Ableiterklasse M
Höchste Dauerspannung DC (UC ) 17 V
Nennstrom bei 70 °C (IL ) 0,4 A
D1 Blitzstoßstrom (10/350 µs) gesamt (Iimp ) 9 kA
C2 Nennableitstoßstrom (8/20 µs) gesamt (In ) 20 kA
Serienimpedanz pro Ader 2,2 Ohm
Grenzfrequenz Ad-Ad (fG ) 2,7 MHz
Zulassungen ATEX, IECEx, CSA & USA Hazloc, SIL
*) Details siehe: www.dehn.de

Artikel 920243 wurde zum Merkzettel hinzugefügt.

Zum Merkzettel

Artikel 920243 wurde zum Warenkorb hinzugefügt.

Zum Warenkorb

BXT ML2 MY 250

Platzsparendes Überspannungs-Ableiter-Modul mit RFID-LifeCheck zum Schutz von 2 Adern mehradriger Signalschnittstellen bis zu 250 V AC. LifeCheck erkennt thermische oder elektrische Überlastzustände nach denen der Ableiter auszutauschen ist. Die Anzeige erfolgt berührungslos mittels DEHNrecord LC / SCM / MCM.

1 Produkt

Art.-Nr. 920289 BXT ML2 MY 250

GTIN 4013364135840, Zolltarifnr. (EU): 85363010, Bruttogewicht: 29.20 g, VPE: 1.00 Stk.

Vorgänger

Abbildungen

Weitere Information

Überspannungs-Ableiter-Modul mit LifeCheck BLITZDUCTOR XT ML2 MY 250
Überspannungs-Ableiter-Schutzmodul der Ableiterklasse Type 2 / P3 BLITZDUCTOR XT,
geprüft nach EN 61643-21 und energetisch koordiniert nach
IEC 61643-22 zum Schutz von einer symmetrischen Schnittstellen mit galvanischer Trennung.
Mit integriertem LifeCheck für berührungslose Ableiterprüfung.
Einsteckbar in Basisteil BXT BAS / BSP BAS 4.
Nennstrom bei 80 °C: 3,0 A

Fabrikat: DEHN
Typ: BXT ML2 MY 250
Art.-Nr.: 920289
oder gleichwertig.

Zertifikate

 

Technische Daten

Ableiterklasse V
Höchste Dauerspannung DC Ader-Ader (UC ) 620 V
Höchste Dauerspannung DC Ader-PG (UC ) 320 V
Nennstrom bei 80 °C (IL ) 3,0 A
C2 Nennableitstoßstrom (8/20 µs) gesamt (In ) 5 kA
Grenzfrequenz Ad-Ad (fG ) 20,0 MHz
Zulassungen SIL
*) Details siehe: www.dehn.de

Artikel 920289 wurde zum Merkzettel hinzugefügt.

Zum Merkzettel

Artikel 920289 wurde zum Warenkorb hinzugefügt.

Zum Warenkorb

BXT ML2 MY E 110

Platzsparendes Überspannungs-Ableiter-Modul mit RFID-LifeCheck zum Schutz von 2 Adern mehradriger Signalschnittstellen. LifeCheck erkennt thermische oder elektrische Überlastzustände nach denen der Ableiter auszutauschen ist. Die Anzeige erfolgt berührungslos mittels DEHNrecord LC / SCM / MCM.

1 Produkt

Art.-Nr. 920288 BXT ML2 MY E 110

GTIN 4013364137363, Zolltarifnr. (EU): 85363010, Bruttogewicht: 31.60 g, VPE: 1.00 Stk.


Abbildungen

Weitere Information

Überspannungs-Ableiter-Modul mit LifeCheck BLITZDUCTOR XT ML2 MY E 110
Überspannungs-Ableiter-Schutzmodul der Ableiterklasse Type 2 / P2 BLITZDUCTOR XT,
geprüft nach EN 61643-21 und energetisch koordiniert nach
IEC 61643-22 zum Schutz von zwei symmetrischen Schnittstellen mit galvanischer Trennung.
Mit integriertem LifeCheck für berührungslose Ableiterprüfung.
Einsteckbar in Basisteil BXT BAS / BSP BAS 4.
Nennstrom bei 80 °C: 3,0 A

Fabrikat: DEHN
Typ: BXT ML2 MY E 110
Art.-Nr.: 920288
oder gleichwertig.

Zertifikate

 

Technische Daten

Ableiterklasse U
Höchste Dauerspannung DC Ader-Ader (UC ) 170 V
Höchste Dauerspannung DC Ader-PG (UC ) 85 V
Nennstrom bei 80 °C (IL ) 3,0 A
C2 Nennableitstoßstrom (8/20 µs) gesamt (In ) 5 kA
Serienimpedanz pro Ader 0 Ohm
Grenzfrequenz Ad-Ad (fG ) 4,5 MHz
Zulassungen SIL
*) Details siehe: www.dehn.de

Artikel 920288 wurde zum Merkzettel hinzugefügt.

Zum Merkzettel

Artikel 920288 wurde zum Warenkorb hinzugefügt.

Zum Warenkorb

BXT M2 BD HC5A 24

Platzsparendes Kombi-Ableiter-Modul zum Schutz von 1 Doppelader erdpotentialfreier symmetrischer Schnittstellen. Das Modul ist abgestimmt auf Schnittstellen mit DC-Strömen bis 5 A, z. B. für die Steuerung von motorbetriebenen Stellantrieben mit hohen Anlauf- und Betriebsströmen.

1 Produkt

Art.-Nr. 920296 BXT M2 BD HC5A 24

GTIN 4013364340015, Zolltarifnr. (EU): 85363010, Bruttogewicht: 28.00 g, VPE: 1.00 Stk.


Abbildungen

Weitere Information

Kombi-Ableiter-Modul BLITZDUCTOR XT BXT M2 BD HC5A 24
Kombi-Ableiter-Schutzmodul der Ableiterklasse Type 1 / P1 BLITZDUCTOR XT,
geprüft nach EN 61643-21 und energetisch koordiniert
nach IEC 61643-22 zum Schutz einer Doppeladern.
Einsteckbar in Basisteil BXT BAS / BSP BAS 4.
Höchste Dauerspannung DC: 36 V
Nennstrom: 5 A
D1 Blitzstoßstrom (10/350 µs) gesamt: 5 kA
D1 Blitzstoßstrom (10/350 µs) pro Ader: 2,5 kA

Fabrikat: DEHN
Typ: BXT M2 BD HC5A 24
Art.-Nr.: 920296
oder gleichwertig.

Zertifikate

 

Technische Daten

Ableiterklasse M
Höchste Dauerspannung DC (UC ) 36 V
Nennstrom (IL ) 5 A
D1 Blitzstoßstrom (10/350 µs) gesamt (Iimp ) 5 kA
C2 Nennableitstoßstrom (8/20 µs) gesamt (In ) 20 kA
Serienimpedanz pro Ader 0 Ohm
Grenzfrequenz Ad-Ad (fG ) 1,56 MHz
Zulassungen SIL
*) Details siehe: www.dehn.de

Artikel 920296 wurde zum Merkzettel hinzugefügt.

Zum Merkzettel

Artikel 920296 wurde zum Warenkorb hinzugefügt.

Zum Warenkorb

nach oben